Процесс снятия, замены блоков предохранителей
Дело не сложное, но поменять блок гораздо проблематичнее.
Салон авто
Процедура выглядит так.
- Снять плюсовую клемму с аккумулятора.
- Демонтировать крышку монтажного блока.
- Здесь имеется два винта под крестовую отвертку – нужно их открутить.
- После этого можно аккуратно вынуть блок с посадочного места.
- Далее потребуется отсоединить контактную группу модуля от машины и полностью снять устройство с автомобиля.
Главный фактор – все делать предельно осторожно, тонкие провода и чувствительные клеммы легко повредить при рывке или неосторожном движении
Подкапотное пространство
Процедура выглядит также, как и в салоне Логана. Сначала демонтируется крышка монтажного блока. Затем освобождаются крепежные винты, и модуль вынимается с посадочного места.
Здесь также на обратной стороне имеются выводы проводки, которые нужно аккуратно отключить для полного снятия устройства.
Подключение сигналки к ЦЗ
Надеемся, вы уже выяснили, где именно находятся нужные нам кабели. Они оба припаяны к контактам «зелёного» пластикового разъёма:

Блок кнопки управления ЦЗ
Нам понадобятся только крайние клеммы, «1» и «5». К контакту «1» подключен открывающий кабель, к пятому – запирающий. Как различить контакты, мы рассматривали в предыдущей главе. Переходим к монтажу проводки.
Снимаем центральную консоль самостоятельно
Похоже, в «Логане» всё предусмотрено так, чтобы владелец мог сам проводить монтаж несложного оборудования. Нам, в свою очередь, сейчас нужно удалить крышку центральной консоли.

Скриншот официального руководства
Будем действовать согласно инструкции:
- Надо демонтировать магнитолу (если есть);
- Декоративную панель поддевают снизу и выводят её из зацепления;
- Затем, всю панель можно удалить, не забыв при этом отключить разъёмы кнопок.
Отключив разъёмы, их вместе с кабелями размещают в нише, расположенной над блоком регуляторов.

Результат демонтажа пластиковой панели
Понятно, что к проводам «1» и «5», идущим от зелёного разъёма, необходимо припаять ещё два провода. Двухпроводной шлейф надо протянуть к блоку сигнализации. Шлейф должен дотянуться до разъёма, рассчитанного на подключение ЦЗ (обычно он снабжается 6-ю контактами). Как всё это реализовать, вы должны решить сами. Многое зависит от того, где именно будет закреплён блок сигналки.

Т-коннектор, толстые провода
По идее, для создания соединений можно использовать Т-образные коннекторы, но они должны быть рассчитаны на тонкий провод.
ЦЗ и сигналка, схема подключения
Любая сигнализация снабжена двумя электрическими реле. Одно из них срабатывает, когда замки нужно закрыть, второе – когда производится отпирание. Контакты этих реле выведены на разъём, содержащий 6 клемм. Откройте инструкцию и найдите то, о чём здесь говорится.

Схема, сигналка и ЦЗ Логан
Шлейф к основному блоку уже протянут, и останется правильно подключить 2 провода (их соединяют с общими контактами реле). Нормально разомкнутые контакты соединяют вместе, и через предохранитель «1,5 А» на них подаётся масса. Больше не потребуется ничего. В настройках сигнализации выставьте длительность управляющих импульсов, которая должна составлять 0,8 с. Желаем успеха.
Необходимо помнить, что прокладывая новую проводку, любой кабель в месте соприкосновения с кузовом дополнительно изолируют.
Эта изоляция притом должна быть термостойкой. Свободные контакты в разъёме сигналки тоже нужно защитить, закрепив на них термоусадочную трубку. Выполнив все рекомендации, вы оградите себя от непредвиденных последствий.
Система управления двигателем
Схема 3. 1 – блок предохранителей 597В в моторном отсеке; 2- блок реле 784 в моторном отсеке, реле 700; 3- форсунка 1-го цилиндра; 4- блок предохранителей в салоне; 5- разъем электропроводки моторного отсека/салона (моноблок); 6- блок реле 1047 в моторном отсеке, реле 236 и 238; 7 – блок реле 784 в моторном отсеке, реле 474;
8-датчик давления хладагента (автомобили с системой кондиционирования); 9- форсунка 2-го цилиндра; 10 – топливный насос и датчик уровня топлива: 11 – разъем электропроводки панели приборов/левой задней части кузова; 12- блок реле в моторном отсеке, реле 234; 13-датчик положения дроссельной заслонки;
14 – форсунка 3-го цилиндра; 15- панель управления системой кондиционирования; 16-датчик детонации; 17-датчик положения коленчатого вала; 18- модуль зажигания; 19-датчик температуры воздуха; 20 – форсунка 4-го цилиндра; 21 – адсорбер; 22 – шаговый электродвигатель регулятора холостого хода; 23 – комбинация приборов; 24 – ЭБУ;
25 – диагностический датчик концентрации кислорода (лямбда-зонд); 26 – коммутационный блок салона; 27 – датчик температуры охлаждающей жидкости; 28 – реле давления системы рулевого управления с гидроусилителем; 29 – датчик концентрации кислорода (лямбда-зонд) системы управления двигателем; 30 – диагностический разъем; 31 – датчик скорости; 32 – датчик абсолютного давления во впускной трубе.
Обход штатного иммобилайзера Renault Logan автосигнализацией по LIN
Подключения для деактивации штатного иммобилайзера во время автозапуска производим в черном разъеме блока BCM.

В этом же разъеме находится провод управления светодиодом состояния иммобилайзера на приборной панели – пин №32. При реализации запуска двигателя с помощью бесключевого алгоритма необходимо этот провод разрывать с помощью реле. Управление реле осуществляется дополнительным каналом. Канал включаем на время включения зажигания (с помощью таблицы таймерных каналов).

DATA (LIN) – pin 36, СИД штатного иммо – pin 32

СИД – лиловый, DATA LIN – белый
Войдите на 21-ый уровень программирования и проделайте нижеследующие действия.

Выбор типа сигнализации для последующей установки
Для автомобиля Рено Логан на рынке представлено огромное множество различных моделей нештатных систем сигнализации. Владельцу лишь остается сделать выбор и определиться с тем, какую систему ставить. Большинство современных систем в бюджетном сегменте имеют незначительные отличия, которые заключаются в следующем:
- Наличие системы автозапуска двигателя. Положительной стороной автозапуска является возможность прогрева силового агрегата в зависимости от требований владельца. Установка системы, оснащенной автозапуском, требует небольших, но дополнительных работ с системой зажигания Рено Логан;
Принцип работы системы автозапуска: автомобиль находится в закрытом состоянии, однако блок сигнализации запускает двигатель и начинается его прогрев.
- Также многие системы оснащаются аварийной кнопкой, сигнализирующей об опасности (такой тип аварийной кнопки обязательно входит в комплект системы с автозапуском).
Любая сигнализационная система содержит перечень правил по установке и эксплуатации, при соблюдении которых можно подключить основные элементы к системам автомобиля, остальные же действия должны быть совершены автолюбителем, исходя из собственного опыта и представлений о безопасности.
Предохранители и реле монтажных блоков Рено Логан 1.4
Один монтажный блок с предохранителями, защищающими электрические цепи мощных потребителей (вентилятор радиатора, печки, блока управления ЭСУД и пр.) расположен в моторном отсеке за аккумуляторной батареей. Другой (с остальными предохранителями), с торцевой стороны панели приборов, со стороны левой водительской двери (см. фото выше).
Далее подробно о назначении предохранителей и реле монтажных блоков автомобиля Рено Логан с двигателем k7j 1,4 л без кондиционера, гидроусилителя и АБС.
Реле и предохранители монтажного блока в моторном отсеке
- Реле Рено Логан
- К1 — реле вентилятора отопителя
- К2 — реле большой скорости вентилятора системы охлаждения на радиаторе (не предусмотрено в данной комплектации)
- К3 — реле вентилятора системы охлаждения, на радиаторе
- К4 — реле кондиционера (в данной комплектации отсутствует)
- К5 — реле топливного насоса и катушки зажигания (модуля зажигания)
- К6 — главное реле системы управления двигателем (ЭСУД)
- К7 — реле насоса омывателя фар (в данной комплектации отсутствует)
- К8 — реле противотуманных фар
- 1 — соединительная колодка проводов
- Предохранители
- F01 (60A) — цепи электропитания замка зажигания и потребителей, запитываемых от замка; переключателя наружного освещения
- F02 (30A) — силовая цепь реле К3 вентилятора системы охлаждения
- F03 (25А) — силовые цепи: реле К5 топливного насоса и катушки зажигания; главного реле К6 системы управления двигателем (ЭСУД)
- F04 (5A) — цепи: постоянного питания блока управления (ЭБУ) системы управления двигателем; обмотки главного реле К6 системы управления двигателем
- F05 (15A) — не используется
- F06 (60A) — цепь электропитания блока предохранителей в салоне автомобиля
- F07 (40A) — силовые цепи: реле К4 кондиционера; реле К3 вентилятора на радиаторе; реле К2 большой скорости вентилятора на автомобиле с кондиционером (отсутствует в данной комплектации)
Предохранители монтажного блока в салоне автомобиля
- F01 (20A) — цепи реле очистителя ветрового стекла, обмотки реле обогрева заднего стекла
- F02 (5A) — цепи: электропитание комбинации приборов; обмотки реле К5 топливного насоса и катушки зажигания; электропитания ЭБУ системы управления двигателем от замка зажигания
- F03 (10А) — цепи: ламп сигналов торможения; лампы света заднего хода; омывателя ветрового стекла
- F04 (10A) — цепи: блока управления подушками безопасности; ламп указателей поворота; диагностического разъема ЭСУД; катушки иммобилайзера
- F09 (10A) — Цепи: ближний свет левой блок-фары; сигнализатор включения ближнего света в панели приборов; насос омывателя фар
- F10 (10A) — ближний свет правой блок-фары
- F11 (10A) — цепи: дальний свет левой блок-фары; сигнализатор включения дальнего света в панели приборов
- F12 (10A) — дальний свет правой блок-фары
- F14 (30A) — электростеклоподъемники передних дверей (нет в данной комплектации)
- F17 (15A) — цепь звуковых сигналов
- F18 (10A) — цепи: лампа габаритного света левой блок-фары; габарит левого-заднего фонаря; лампа освещения номерного знака; подсветка комбинации приборов и органов управления; зуммер коммутационного блока
- F19 (10A) — цепи: габарит правой блок-фары, габарит правого заднего фонаря; лампа плафона освещения вещевого ящика
- F20 (10A) — лампы включения противотуманного света в задних фонарях; сигнализатор включения заднего противотуманного света в панели приборов
- F26
- F27
- F28 (15A) — цепи: лампа освещения салона; лампа плафона освещения багажника; питание магнитолы
- F29 (15A) — цепи: аварийка; переключатели указателей поворота; прерывистый режим работы стеклоочистителей; центральный замок; диагностический разъем ЭСУД
- F30 (20A) — силовая цепь центрального замка
- F31 (15A) — цепь обмотки реле К8 противотуманных фар
- F32 (30А) — силовая цепь реле обогрева заднего стекла
- F36 (30A) — силовая цепь реле К1 вентилятора отопителя
- F38 (10A) — цепи: прикуриватель; электропитание от замка зажигания магнитолы
- F39 (30A) — цепь обмотки реле К1 электровентилятора отопителя
- На крышке блока в салоне автомобиля изображена схема расположения предохранителей.
Примечания и дополнения
— В зависимости от полноты комплектации автомобиля Рено Логан количество предохранителей и реле в монтажных блоках увеличивается или уменьшается.
— Реле обогрева заднего стекла расположено не в монтажном блоке, а под панелью приборов, возле рулевой колонки.
Выбор типа сигнализации для последующей установки
Для автомобиля Рено Логан на рынке представлено огромное множество различных моделей нештатных систем сигнализации. Владельцу лишь остается сделать выбор и определиться с тем, какую систему ставить. Большинство современных систем в бюджетном сегменте имеют незначительные отличия, которые заключаются в следующем:
- Наличие системы автозапуска двигателя. Положительной стороной автозапуска является возможность прогрева силового агрегата в зависимости от требований владельца. Установка системы, оснащенной автозапуском, требует небольших, но дополнительных работ с системой зажигания Рено Логан;
Принцип работы системы автозапуска: автомобиль находится в закрытом состоянии, однако блок сигнализации запускает двигатель и начинается его прогрев.
- Также многие системы оснащаются аварийной кнопкой, сигнализирующей об опасности (такой тип аварийной кнопки обязательно входит в комплект системы с автозапуском).
Любая сигнализационная система содержит перечень правил по установке и эксплуатации, при соблюдении которых можно подключить основные элементы к системам автомобиля, остальные же действия должны быть совершены автолюбителем, исходя из собственного опыта и представлений о безопасности.
Электросхемы рено логан сандеро (renault sandero logan)
РАЗВОДКА «МАССЫ» и «МАССА» ДВИГАТЕЛЯ
«МАССА» САЛОНА
ЭЛЕКТРОННАЯ СИСТЕМА ВПРЫСКА ТОПЛИВА: K4M 696 вар.1K4M 696 вар 2K4M 690, K4M 692 вар. 1K4M 690, K4M 692 вар 2K4M 690, K4M 692 вар 3K4M 690, K4M 692 вар 4K7J 710, K7M 710 вар. 1 K7J 710, K7M 710 вар. 2 K7J 710, K7M 710 вар. 3K7J 710, K7M 710 вар. 4K7J 710, K7M 710 вар. 5K7M 732 вар. 1K7M 732 вар. 2K4M 692 вар. 1K4M 692 вар. 2Версия EQGNC
МАССОВАЯ» КЛЕММА АККУМУЛЯТОРНОЙ БАТАРЕИ
СОЕДИНЕНИЕ НА «МАССУ» ДВИГАТЕЛЯ
СИСТЕМА ОХЛАЖДЕНИЯ ДВИГАТЕЛЯ: вар. 1 (К4М692, K4М696, K7М732)вар. 2 (Logan, Sandero, K7J710, K7M710)вар. 3 (К4М690, К4М692)вар. 4 (К4М696, K7М732)
ЦЕПЬ ЗАПУСКА ДВИГАТЕЛЯ:вар. 1 (Sandero K7J710, K7M710, K7M732, K9K790, K9K794) вар. 2 (K4M690, K4M692, K4M696)вар. 3 (Logan K7J710, К7М710, К9К790, К9К794)вар. 4 (Logan K7М732)
ЦЕПЬ ЗАРЯДКИ АККУМУЛЯТОРА:вар. 1 (K4M696)вар. 2 (K7J710, К7М710, К7М732)вар. 3 (K4M690, K4M692)
ЦЭКБС
ЩИТОК РЕЛЕ САЛОНА
ЩИТОК (КОМБИНАЦИЯ) ПРИБОРОВ:вар. 1 (ABS/ADAC)вар. 2 (SSABS/ADAC)вар. 3 (ABS/SADAC)вар. 4 (SSABS/SADAC)
БЛОК ПРЕДОХРАНИТЕЛЕЙ В МОТОРНОМ ОТСЕКЕ:вар. 1вар. 2 (K4M690, K4M692, K4M696, K7J710, K7M732)вар. 3 (K4M690, K4M692, K4M696. K7J710, K7M732)
ЗАМОК ЗАЖИГАНИЯ С ПРОТИВОУГОННЫМ УСТРОЙСТВОМ:Вариант 1Вариант 2Вариант 3Вариант 4Вариант 5Вариант 6Вариант 7Вариант 8
ДАТЧИК УРОВНЯ ТОПЛИВА И ТОПЛИВНЫЙ НАСОС:Вариант 1Вариант 2
СИСТЕМА ABS
ДИАГНОСТИЧЕСКИЙ РАЗЪЁМ:Вариант 1Вариант 2
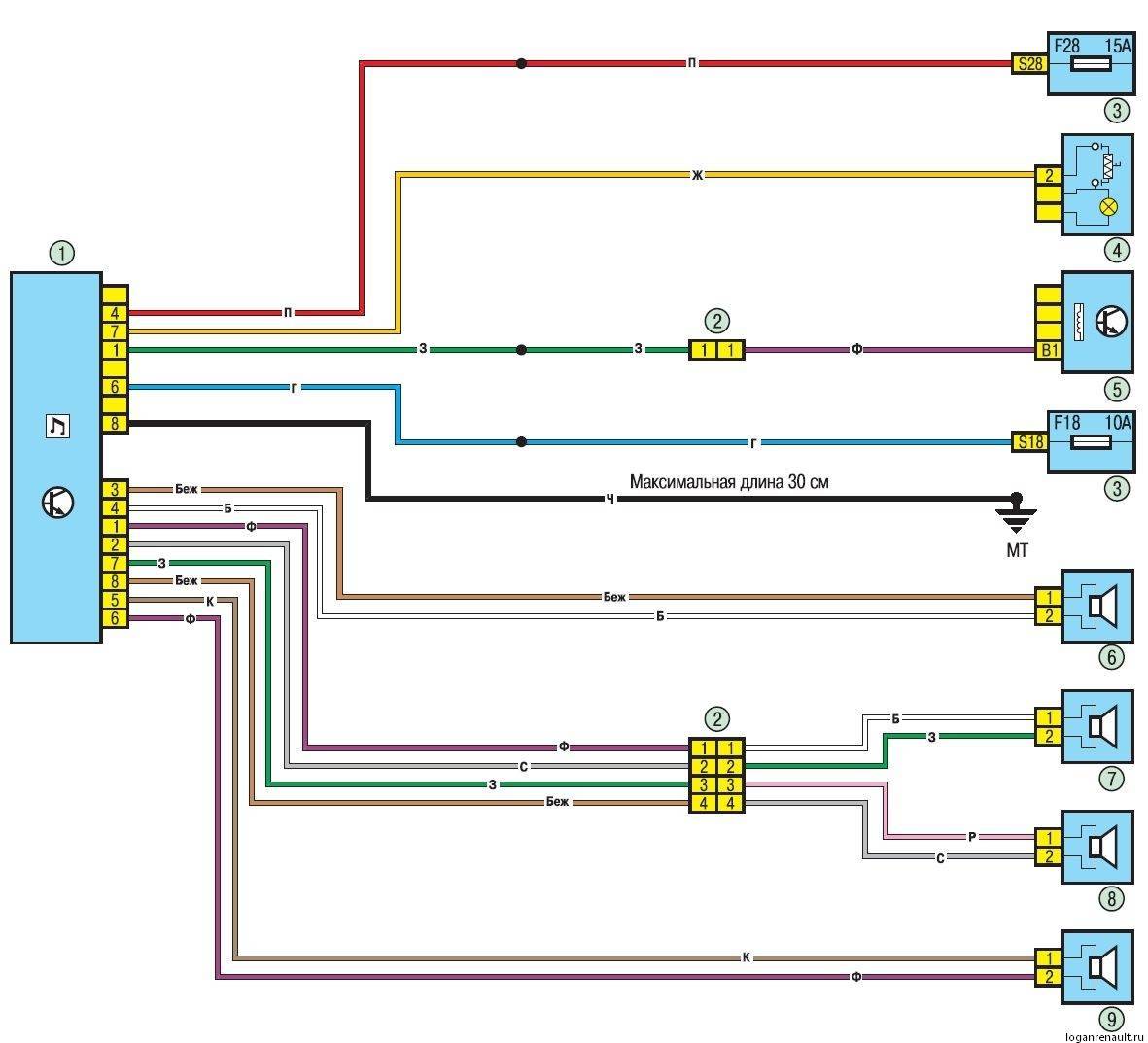
АУДИОСИСТЕМА И КОММУНИКАЦИОННОЕ ОБОРУДОВАНИЕ:Вариант 1Вариант 2Вариант 3
БАЗОВОЕ ОТОПЛЕНИЕ ИЛИ СИСТЕМА КОНДИЦИОНИРОВАНИЯ ВОЗДУХА
БЛИЖНИЙ СВЕТ ФАР
ГАБАРИТНЫЕ ФОНАРИ:Вариант 1 (Sandero)Вариант 2 (Logan)Вариант 3 (Logan)Вариант 4 (Logan)
ДАЛЬНИЙ СВЕТ ФАР
ДОПОЛНИТЕЛЬНЫЙ ОБОГРЕВАТЕЛЬ САЛОНА
ЗАДНИЕ ПРОТИВОТУМАННЫЕ ФОНАРИ:Вариант 1 (Sandero)Вариант 2 (Logan)Вариант 3 (Logan)Вариант 4 (Logan)
ЗАДНИЕ СТЕКЛОПОДЪЁМНИКИ С ФУНКЦИЕЙ БЛОКИРОВКИ
ЗАПИРАНИЕ ОТКР. ЭЛЕМЕНТОВ КУЗОВА:Вариант 1Вариант 2Вариант 3
ЗВУКОВОЙ СИГНАЛ
ИНДИКАЦИЯ ДАВЛЕНИЯ МАСЛА
ИНДИКАЦИЯ УРОВНЯ ТОПЛИВА
ЛАМПА ОСВЕЩЕНИЯ ОТДЕЛЕНИЯ ДЛЯ МЕЛКИХ ПРЕДМЕТОВ
НАРУЖНЫЕ ЗЕРКАЛА ЗАДНЕГО ВИДА С ЭЛЕКТРОПРИВОДОМ И ЭЛЕКТРООБОГРЕВОМ
ПРИКУРИВАТЕЛЬ:Без подсветкиС подсветкой
ОБОГРЕВ ЗАДНЕГО СТЕКЛА:Вариант 1 (Sandero)Вариант 2 (Sandero)Вариант 3 (Logan)Вариант 4 (Logan)Вариант 5 (Logan)Вариант 6 (Logan)
ОСВЕЩЕНИЕ БАГАЖНОГО ОТДЕЛЕНИЯ:Вариант 1 (Sandero)Вариант 2 (Logan)Вариант 3 (Logan)Вариант 4 (Logan)
ПЕРЕДНИЕ И ЗАДНИЕ СТЕКЛООЧИСТИТЕЛИ И ОМЫВАТЕЛИ:Вариант 1 (Sandero)Вариант 2 (Sandero)Вариант 3 (Logan)
ПЕРЕДНИЕ СТЕКЛОПОДЪЁМНИКИ С ЭЛЕКТРОПРИВОДОМ
ПЛАФОН ОСВЕЩЕНИЯ САЛОНА:Вариант 1 (Sandero)Вариант 2 (Sandero)Вариант 3 (Logan)Вариант 4 (Logan)Вариант 5 (Logan)Вариант 6 (Logan)
ПОДУШКИ БЕЗОПАСНОСТИ:Вариант 1Вариант 2Вариант 3Вариант 4
ПРОТИВОТУМАННЫЕ ФАРЫ
РУЛЕВОЕ УПРАВЛЕНИЕ
СИГНАЛ СКОРОСТИ АВТОМОБИЛЯ (СПИДОМЕТР):Вариант 1Вариант 2Вариант 3Вариант 4Вариант 5Вариант 6Вариант 7
СИГНАЛИЗАЦИЯ
СИГНАЛЬНАЯ ЛАМПА СТОЯНОЧНОГО ТОРМОЗА
СИГНАЛЬНАЯ ЛАМПА УРОВНЯ ТОРМОЗНОЙ ЖИДКОСТИ
ТРАНСПОНДЕР
СИДЕНЬЯ С ПОДОГРЕВОМ
СИСТЕМА КОНДИЦИОНИРОВАНИЯ ВОЗДУХА:Вариант 1Вариант 2Вариант 3Вариант 4Вариант 5Вариант 6Вариант 7
СТОП-СИГНАЛ:Вариант 1 (Sandero)Вариант 2 (Sandero)Вариант 3 (Logan)Вариант 4 (Logan)Вариант 5 (Logan)Вариант 6 (Logan)
УКАЗАТЕЛЬ ПОВОРОТА И АВАРИЙНОЙ СИГНАЛИЗАЦИ:Вариант 1 (Logan)Вариант 2 (Logan)Вариант 3 (Sandero)
ФОНАРИ ЗАДНЕГО ХОДА:Вариант 1 (Sandero)Вариант 2 (Logan)Вариант 3 (Logan)
Руководства по ремонту
Каждая электрическая цепь должна быть обязательна замкнута, иначе электрический ток течь не. Например, только того, что к положительному зажиму фары подается напряжение, недостаточно, если цепь тока одновременно не замкнута через соединение к корпусу.

Поэтому отрицательный полюс батареи также посредством кабеля связан с кузовом. Иногда такого присоединения к «массе» не хватает, и тот или иной потребитель имеет отдельный провод, соединяющий его с корпусом автомобиля; такие провода, как правило, имеют коричневую изоляцию. В отдельных цепях могут быть объединены выключатели, реле, предохранители, измерительные приборы, электродвигатели и другие электрические узлы и детали.
Чтобы их можно было правильно подключить, отдельные контакты имеют соответствующие обозначения. Чтобы путаницу проводов упорядочить хотябы на схеме, отдельные пути тока расположены вертикально рядом друг с другом и пронумерованы. Коробка передач пятиступенчатая механическая. Подготовка к электросхема рено логан 2.

Иногда дублируется проводником. В этой части вы найдёте схемы таких модулей, как электропривод зеркал, противотуманные фары, электростеклоподъемники передних дверей, электровентилятор системы отопления и вентиляции салона и.

Для увеличения — кликните на картинке. Например, только того, что к положительному зажиму фары подается напряжение, недостаточно, если цепь тока одновременно не замкнута через соединение к корпусу.
Электрические схемы Рено Логан 2
Он обеспечивает питание потребителей, в том числе и зарядку аккумулятора на машине. На 8 и 16 клапанном двигателе Рено Логан устанавливаются разные генераторы. На машине может быть установлен один из возможных генераторов….

При запуске двигателя первым делом необходимо обеспечить электрическое питание системы его питания, системы зажигания, вспомогательных элементов обеспечивающих не только поездку на автомобиле, но и ваш электросхема рено логан 2 в.
Управляет этим процессом первостепенно замок зажигания, расположенный справа от руля в рулевой колонке.
ЭБУ — электронный блок управления обеспечивает множество функций. Фактически блок является многоцелевым устройством, куда сводится множество телеметрических сигналов от датчиков.
На основании полученных данных электронный блок обрабатывает данные и выдает соответствующие команды, сигналы напряжение и ток на управляющие элементы. В итоге, такой «симбиоз» обеспечивает оптимальную работу двигателя, с минимальным потреблением топлива и с максимальной эффективностью.
Проверка цепи включения стартера Renault Logan 2004-2009 Бензин
Если при переводе ключа в замке зажигания в положение «IV» стартер не работает — возможна неисправность как самого стартера, так и цепи его включения (при исправных двигателе и аккумуляторной батарее). Для проверки снимаем защиту силового агрегата (см. «Снятие защиты силового агрегата»). Устанавливаем рычаг переключения передач в нейтральное положение и включаем стояночный тормоз. При выключенном зажигании отсоединяем наконечник провода управления от вывода обмоток тягового реле стартера (см. «Снятие и разборка стартера»).
Стержнем отвертки перемыкаем вывод обмоток тягового реле и верхний контактный болт.
При проведении этой операции необходимо соблюдать осторожность, так как возможно искрообразование в зоне перемыкания выводов. Не замкните отвертку на «массу» в момент соединения выводов
Если при этом коленчатый вал будет проворачиваться, то стартер исправен, а причиной неисправности является повреждение в цепи его включения. В противном случае неисправен стартер или его тяговое реле. Если нет возможности устранить повреждение в цепи включения исправного стартера, то при необходимости таким образом (включив зажигание и замыкая выводы) можно пустить двигатель и доехать до места ремонта. При неисправном стартере доехать до места ремонта можно пустив исправный двигатель «с толкача» — передавая вращение коленчатому валу двигателя от ведущих колес автомобиля через трансмиссию. Эту операцию можно вполне выполнить вдвоем на участке (безопасном) ровной дороги, а тем более под уклон. Переводим рычаг переключения передач в нейтральное положение и включаем зажигание. Помощник сзади толкает автомобиль и разгоняет его. В этот момент выжимаем сцепление и включаем передачу (лучше вторую), после чего плавно отпускаем педаль сцепления. При исправных системах управления и питания двигатель должен пуститься, после чего выжимаем сцепление и выключаем передачу. Чем быстрее вы разгоните автомобиль, тем выше будут обороты коленчатого вала двигателя и тем легче он пустится. Разогнать автомобиль для пуска двигателя можно также путем его буксировки с помощью другого автомобиля (см. «Буксировка автомобиля»). Неисправность в цепи включения стартера может быть вызвана повреждением силовой цепи или цепи управления тяговым реле, контактной группы выключателя зажигания. Питание на обмотки тягового реле подводится от выключателя зажигания, на который, в свою очередь, напряжение подается от аккумуляторной батареи через предохранитель F01 (60 А) монтажного блока, расположенного в моторном отсеке. При перегорании этого предохранителя стартер не включится, но при этом также будет обесточено большинство электрических потребителей (электростеклоподъемники, электропривод наружных зеркал заднего вида, обогрев заднего стекла, очиститель ветрового стекла, вентилятор отопителя). Для поиска неисправности в цепи включения стартера вынимаем из монтажного блока моторного отсека предохранитель F01 (см.«Электрооборудование»).
Тестером проверяем: подводится ли «+12 В» к гнезду (показанному на фото) предохранителя. При этом «минусовый» щуп тестера присоединяем к «минусовому» выводу аккумуляторной батареи. Если напряжение к гнезду предохранителя не подводится — неисправна цепь от аккумуляторной батареи до гнезда (обрыв провода или замыкание на «массу»). Если же напряжение к гнезду предохранителя подводится, то, установив исправный предохранитель, тестером проверяем целостность цепи от второго гнезда предохранителя до выключателя зажигания. Для этого отсоединяем колодку жгута проводов от выключателя зажигания (см. «Замена катушки иммобилайзера и выключателя зажигания»).
Присоединяем «плюсовой» вывод тестера к выводу «4» колодки жгута проводов, а «минусовой» — к «массе». Тестер должен показать напряжение аккумуляторной батареи. В противном случае цепь от второго гнезда предохранителя до выключателя зажигания — неисправна (обрыв провода или замыкание его «на массу»). Если же напряжение к выводу «4» колодки жгута проводов выключателя зажигания подается…
…отрезком провода перемыкаем на короткое время выводы «4» и «6» колодки жгута проводов. При этом должен раздаться щелчок — включится тяговое реле стартера. Если тяговое реле включается — неисправен выключатель зажигания или его соединение с колодкой жгута проводов, если не включается — неисправна цепь от вывода «6» колодки жгута проводов до вывода обмоток тягового реле (обрыв провода или замыкание его «на массу» .
carpedia.club





































