Противотуманные фары: что это такое
Рено Логан установка противотуманных фар: подключение и как поменять
логан. самый простой 20 руб способ автоматически включть ходовые огни
В этом нет ничего сложного. Как только конденсат пропадет, можно начинать установку. Специальные навыки могут оказаться полезными только во время регулировки подачи светового пучка.
В числе таковых присутствует не эффективное освещение обочины, а банальное ослепление встречных участников потока. Обратно сожмите пластиковый фиксатор проводов, установите грязезащитный щиток со стороны, где лампа устанавливается. И именно в этом случае пучок света от низко поставленных источников гораздо меньше отражается от капель воды — он светит ниже основной массы тумана.
И именно в этом случае пучок света от низко поставленных источников гораздо меньше отражается от капель воды — он светит ниже основной массы тумана. Делают транспортное средство более видимым на дороге и не слепят при этом водителей встречных автомашин.
Популярные статьи
Только после того, как все необходимые детали куплены, станет возможной установка противотуманных фар на Рено Логан. На первоначальном этапе потребуется произвести проверку наличия реле противотуманок, который расположен в отсеке двигателя, а также предохранителя противотуманных фар — F Провода Переключатель, который вы поместите под рулем Противотуманные фары и накладки 2.
Далее, перед тем, как установить противотуманные фары на Рено Логан, вам потребуется изучить технологию установки переключателя. Как уже указывалось выше, располагаться он будет в локации руля, для дополнительного комфорта использования.
Если вы устанавливаете их самостоятельно, вам необходимо знать, что чересчур высоко расположенные фонари не улучшают, а, наоборот, существенно искажают видимость на дороге, поскольку при этом они отражаются от капель тумана.
И следует помнить, что здесь желательно устанавливать фонари с жёлтыми световыми фильтрами — они наиболее эффективны. Устанавливаются такие фонари обязательно парой. Расстояние от бокового габаритного фонаря по внешнему краю рассеивателя должно составлять не более 40 см, а высота от покрытия дороги по нижнему краю рассеивателя — до 25 см.

Они обязательно устанавливаются не выше головных фонарей. В принципе, с этой задачей способен справиться любой автолюбитель, даже не имеющий специальных знаний и навыков
При необходимости заменить лишь светодиодные лампы, а не фары птф целиком, нужно обратить внимание на наличие конденсата
Если он присутствует, рекомендуется оставить фару без лампы в месте, где отсутствует высокая влажность. В идеале можно оставить ее на солнце на некоторое время.
Установка ДХО и ПТФ на Dacia Renault logan
Как только конденсат пропадет, можно начинать установку. Монтаж противотуманной фары на автомобиль Рено Логан выполняется в обратной последовательности. Поверните лампу по часовой стрелке, после чего подключите разъем, на котором находится фаза.
Обратно сожмите пластиковый фиксатор проводов, установите грязезащитный щиток со стороны, где лампа устанавливается. Проверьте работу новой фары и убедитесь в том, что фаза не коротит. В таком рулевом переключателе сразу встроен вариант переключения передних ПТФ. Проверяем работоспособность пока без подключения ПТФ.
Противотуманные фары: что это такое
Сборку производим в аналогичном порядку снятия. Подключаем ПТФ Перед установкой пластиковых накладок чтобы исключить отличие по цветовой гамме, их можно подготовить и покрасить в цвет автомобиля.
Благо для этого, грунт и краска в магазинах продаются в баллончиках. Достаточно лишь знать цветовой код вашего авто.

Согласно ПДД противотуманные фары можно использовать вместо фар дневного света , а вот одновременно нет, поэтому всё и подключается через реле! Если владельцем избран вариант собственноручной установки противотуманных осветительных приборов, то ему рекомендуется следовать нижеприведенному алгоритму производства работ.
Первоначально проверяем наличие в монтажном блоке Renault Logan, расположившемся в подкапотном пространстве, специального реле. Если таковой элемент отсутствует, то приобретаем его.
Устанавливаем автомобиль на достаточно ровную поверхность и демонтируем передний бампер с щитками для отвода грязи. Они выглядят как пластиковые элементы, окрашенные черным цветом. Установка противотуманных фар происходит строго в обозначенные места и фиксируем к поверхности бампера саморезами шт.
Устанавливаем бампер Renault Logan и подключаем электрический разъем к патрону со вставленной в него лампой. Проводку прикрепляем к бамперу Renault Logan посредством пластикового фиксатора.
Последовательность действий
- В первую очередь, чтобы снять подрулевой переключатель, необходимо отодвинуть водительское кресло назад до упора.
- Откручиваем два болта крепления кожуха.
- Опустив руль вниз, снимаем сначала верхнюю накладку, затем нижнюю.
- Затем откручиваем два болта крепления подрулевого переключателя, отсоединяем по бокам фиксирующий штекер.
Открутив два болта нажимаем на штекер по бокам и отсоединяем стоковый переключатель.
- После чего проводим работы по переделке штатного переключателя либо меняем на новый.
В таком рулевом переключателе сразу встроен вариант переключения передних ПТФ.
- Проверяем работоспособность (пока без подключения ПТФ).
Сейчас читают: Выгодная цена на Logan Передний Свет — суперскидки на Logan Передний Свет. Logan Передний Свет: топ-производители со всего мира в приложении АлиЭкспресс на с. 1
Сборку производим в аналогичном порядку снятия.
Фаза 2
Установка ПТФ логан. Как установить ПТФ на Логан1 ф2.
Привет всем. Давно хотел установить ПТФ, но как то все не доходили руки, да и информацию собирал потихоньку. А тк биледы попусту жечь не хочется, то и решился на установку ПТФ.Закупился всем необходимым, сами ПТФ решил брать ОСВАР, а все остальное старался брать оригинал. Но рамки никак не мог найти по адекватным ценам, поэтому рамки FranceCar у меня.Первым делом установил подрулевой переключатель

и реле под капот

Проверил индикацию на приборной панели

Далее занялся проводкой, т.к. на ОСВАРовских фарах нет никакого разъема, а только лишь 2 проводка, поэтому проехавшись по магазинам нашел и купил пару герметичных разъемов. Припаял их на проводку и на птф.



Так же, заменил сразу лампы на OSRAM Ultra Life, т.к. ПТФ больше будут использоваться как ДХО и нужно чтобы они долго работали, ибо не хочется снимать бампер для их замены.

Заодно сделал замер мощности комплектных ламп и OSRAM.

Далее приступил непосредственно к врезке в бампер. (как снимать бампер не описываю, найти информацию не проблема).Но для начала снял бампер и подключил проводку с фарами

включил на переключателе ПТФ — и ничего… Хорошо что я читал, и кто-то описывал, что у него было так же. В общем за 10 лет контакты окислились и соответственно “нет контакта”. Взял я жесткую кисточку для рисования и “пошерудил” там интенсивно, снова подключил и попробовал — теперь загорелась одна ПТФ. Плюнул и сходил за бытовой химией: — туалетный утенок (в составе кислота — она удаляет окислы) и — антижир (в составе щелочь — для нейтрализации кислоты). Этой же кисточкой сначала “утенком” все почистил, промыл водой из садового опрыскивателя, а затем “антижиром” убрал кислоту, и так же следом тщательно промыл водой.

Продул компрессором с насадкой для накачивания мячей.После этого все заработало как положено.

Следом пошел резать бампер, предварительно его отмыв изнутри, чтобы видеть “разметку” для вырезания под декоративную заглушку бампера.


НА левой стороне половину “разметки” не было видно, т.к. там был слой краски, резал по аналогии с правой.Чтобы лучше было видно, обвел мелом “разметку”

На левой стороне вместо мела нацарапал ножом.Чтобы не промахнуться и не отрезать лишнего сначала крайние точки засверливался сверлом по дереву d3mm. Далее нагревал нож (использовал сапожный) на газовой горелке, буквально 2-3 сек, и пластик очень “удобно” резался под воздействием. Отверстие под фару так же по периметру просверлил многократно

и вырезал ножом по той же технологии.


После того как все вырезал поставил декоративные рамки и примерил держатели ПТФ. Все подошло, поэтому прикрутил болтами М6 фары к рамке ПТФ, а саму рамку к язычкам бампера на нейлоновые стяжки, предварительно просверлив язычки рамки и бампера уже на месте.

Заодно уж переделал сетку с наружней стороны на внутреннюю.Далее, уложил проводку в бампер с специальные “кронштейны”
Виды противотуманных фар на рено логан
Техническое устройство Рено Логан позволяет своими руками оборудовать автомобиль противотуманными фарами, если они не идут в комплектации. Установка производится в специальные штатные места, либо заменяются заглушкой.
Важно! Перед заменой противотуманной фары убедитесь в совпадении лампы, рамки и фазы по отношению к вашему автомобилю. Дело всё в том, что в зависимости от года выпуска форма, лампа и крепление противотуманной фары существенно отличаются друг от друга
Фаза 1 устанавливалась на автомобили Рено Логан I поколения до 2008 г.в, а фаза 2 на автомобили Рено Логан со второй половины 2008 года.
Поэтому перед покупкой комплекта ПТФ, вы должны знать наверняка, о необходимой вам детали.
Как вы смогли убедиться сами, в установке такого важного элемента наружного освещения как противотуманная фара на Рено Логан нет ничего сложного. Весь процесс предельно понятен и прост
При осуществлении подобных работ от вас потребуется лишь внимательность, аккуратность и предельно точное следование нашим инструкциям. Поверьте, в свои силы и у Вас обязательно всё получится.
Какие лампы ставит в фары Рено Логан
Рено Логан — экономный седан, разработанный Французской фирмой в 1998 году. В России продажи данной модели были начаты в 2004 году. Логан очень востребован не только в нашей стране, но и в ряде других стран, таких как Румынии, Индии, Марокко, Иране и Колумбии. В зависимости от рынка, Логан может реализовываться под марками Dacia, Renault и Nissan. Первый кузов этой модели был седан.
Но в 2006 году на Французском автосалоне были показаны кузова универсал и грузовой фургон. Логан в кузове хэтчбек уже назывался Рено Сандеро. Главной задачей конструкторов была доступная цена данного автомобиля и конкурентоспособность таким моделям, как Fiat Albea, Hyundai Accent и т.д. Первый рестайлинг был сделан 2008 году, изменения были минимальны, как внутри, так и внешне. Новое поколение Логан было выпушено в 2012 году. Машина получила новую внешность, она стала чуть длинней и уже.
Для того чтоб Логан оставался по прежнему дешевым, конструкторам пришлось отказаться от сложных выштампованных деталей кузова. В минимальном наборе опций нет подушек безопасности, электроусилителя руля и электростеклоподъемников. Так же было решено не создавать новые моторы для второго поколения модели, а оставить хорошо показавшие себя, проверенные временем двигателя. В комплектациях Рено Логан не устанавливался ксенон, в фарах всегда были галогеновые лампы, по этому свет оставлял желать лучшего. Так как свет напрямую влияет на безопасность движения, водителю необходимо знать какие установлены лампы, а так же умение их заменить.
Замена лампы ближнего света
Итак, мы разобрались какие лампы вам необходимы, далее следует непосредственно процесс её замены. Менять лампочку мы будем на примере левой фары, так как замена сопряжена со снятием аккумулятора. На правой фаре лампочка меняется аналогично.
В первую очередь нам будет необходимо снять аккумулятор, для этого потребуется два ключа на 10 и на 8, чтобы снять клеммы с “+” и массы, а также торцевая головка на 13, чтобы демонтировать крепление самого аккумулятора (если оно имеется)
Особое внимание при этом стоит уделить тому, что сначала провода снимаются с массы “-”, а потом только с “+”

Аккумулятор будет мешать, но, если у Вас «точные руки и пальцы», можете попробовать без снятия

Снятие пластиковой заглушки

Необходимо снять колодку питания лампы

- Остался финальный штрих. Перед нами пружинный фиксатор, который фиксирует галогенную лампу, надёжно держа её в своих цепких лапах. Однако, этого не стоит пугаться! Снять фиксатор можно так же легко, как и поставить на место, надо только вывести его из «зацепа» с крючком отражателя, нажав пальцем на его верхнюю часть.
- Далее, вынимаем саму лампу из блок-фары, удерживая его за металлические ножки и, меняем на новую лампу, устанавливая в обратной, аналогичной снятию последовательности.
Замена габаритов или указателя поворота
Если у вас возникнет потребность в замене переднего указателя поворота или замене лампы габаритных огней, то стоит сказать, что их замена происходит куда более проще. Патрон лампы, которой требуется замена необходимо просто повернуть против часовой стрелки и вынуть сгоревший источник света.
Стоит ли ставить диодные?
Светодиодные источники света сейчас очень популярны среди автовладельцев. Современная промышленность выпускает полупроводниковые лампочки практически всех типоразмеров и с любыми цоколями. Имеет ли смысл заменить обычные лампочки накаливания на светодиодные в противотуманках?
Светодиодные источники света с цоколями H11 и H16
Производитель Рено Логан этого делать не рекомендует, но не указывает, по какой причине. Я довольно долго изучал этот вопрос и посетил множество автомобильных форумов. Вот небольшая подборка наиболее часто встречающихся отзывов и мнений:

- Светодиодные очень экономичны и дольше служат.
- После замены на светодиоды очень сложно, а чаще всего невозможно правильно отрегулировать световой пучок.
- Светодиоды в ПТФ слепят встречных и абсолютно не освещают дорогу перед собственной машиной.
- Светодиодные приборы не справляются со своей задачей – в снег, дождь или туман совершенно не улучшают видимость.
- Мощности светодиодов с нужным цоколем не хватает для нормального освещения дороги в непогоду.
- Если фара рассчитана на обычную лампочку, то установка в нее светодиодной запрещена законом (часть 3 статья 12.5 КоАП РФ).
Итак, один аргумент «за», пять «против». Я думаю, вывод однозначный: светодиоды для работы в противотуманных фонарях, рассчитанных на работу с лампой накаливания, не подходят. Если все же есть желание перейти на светодиоды, необходимо купить фары, рассчитанные на работу с полупроводниковыми источниками света. Только так можно рассчитывать на эффективность освещения и отсутствие конфликтов с сотрудниками ГИБДД.
Установка птф на Рено Логан фаза 1 своими руками видео
Устанавливаем автомобиль на достаточно ровную поверхность и демонтируем передний бампер с щитками для отвода грязи. Они выглядят как пластиковые элементы, окрашенные черным цветом.

Установка противотуманных фар происходит строго в обозначенные места и фиксируем к поверхности бампера саморезами шт. Устанавливаем бампер Renault Logan и подключаем электрический разъем к патрону со вставленной в него лампой.
Проводку прикрепляем к бамперу Renault Logan посредством пластикового фиксатора. В качестве монтажной процедуры, когда осуществляется установка противотуманных фар, можно избрать два варианта ее реализации: Если владельцем избран вариант собственноручной установки противотуманных осветительных приборов, то ему рекомендуется следовать нижеприведенному алгоритму производства работ.

Первоначально проверяем наличие в монтажном блоке Renault Logan, расположившемся в подкапотном пространстве, специального реле. Если таковой элемент отсутствует, то приобретаем. Устанавливаем автомобиль на достаточно ровную поверхность и демонтируем передний бампер с щитками для отвода грязи.

Они выглядят как пластиковые элементы, окрашенные черным цветом. Установка противотуманных фар происходит строго в обозначенные места и фиксируем к поверхности бампера саморезами шт. Устанавливаем бампер Renault Logan и подключаем электрический разъем к патрону со вставленной в него лампой.
Проводку прикрепляем к бамперу Renault Logan посредством пластикового фиксатора. Фаза 2 Для монтажа ПТФ в фазе 2 необходимо предварительно вырезать шаблон, по которому нужно изготовить отверстия для защёлок и самой фары.
Шаблон необходимо вырезать по накладке, соблюдая все размеры. Для наибольшей прочности и фиксации накладки можно обклеить двусторонним скотчем или лучше закрепить с внутренней стороны с помощью пластиковых хомутов. Фаза 1 Для работ в фазе установка птф на рено логан, нужно только вырезать нишу под ПТФ в самом бампере. Далее, лучше всего снять передний бампер, о том, как легко это сделать написано в этой статье.
Как установить ДХО на Рено Логан 1 и заменить лампу в них на Логан 2
Сняли бампер, установите парктроники! Отмечаем по шаблону места на бампере и высверливаем их с помощью шуруповёрта или дрели.


Благодаря шаблону, просверлить отверстия не составит труда Вставляем в высверленные отверстия бампера заглушку ПТФ. Заглушку следует вставлять в пазы до характерного щелчка и до момента когда она плотно войдёт в бампер.
Установка противотуманных фар на рено логан
Ниже подробно описано, как самостоятельно установить ПТФ, на примере Логана фаза 2.
Перед установкой проверяем наличие реле ПТФ в блоке под капотом и наличие нужного предохранителя (F31) в блоке предохранителей, находящемся в торце торпедо со стороны водителя.


Нам понадобится запчасти:
- Комплект противотуманных фар (ПТФ);
- Подрулевой переключатель (с положением для передних ПТФ);
- Рамки (кронштейны) под противотуманные фары (комплект);
- Жгут подключения;
- Накладки на бампер (для Рено Логан фаза 2).




Для установки подрулевого переключателя понадобится крестовая отвертка и ключ торкс на 20.
Отодвигаем сиденья назад на максимум, потому что подлезть туда очень проблематично. Берем торкс и снизу откручиваем 2 винта. После чего отпускаем рычаг регулировки руля по высоте, оставляем его в таком положении (для Фаза2) и тянем за верхнюю часть кожуха (снимается без проблем). Теперь нижняя (не снимайте ее до конца, а лишь чуть опустите, чтобы был доступ к болтикам держащих подрулевой, иначе потом сложно вставить кожух на место).
Откручиваем 2 болтика переключателя вынимаем его и отсоединяем шлейф, нажав на боковые фиксаторы. Подключаем новый (будет щелчок), ставим на место и закручиваем болтиками. Вставляем до конца нижний кожух. Далее – верхний. И защелкиваем их между собой. Можно поднять руль в самое верхнее положение и зафиксировать рычагом наклона руля (для Фаза2). Закручиваем два винта.
Проверяем.

Накладки на бампер имеют фиксаторы, но для надёжности лучше подстраховаться двусторонним скотчем. Так же, перед установкой ПТФ на Логан Фаза 2, можно заготовить шаблон из картона, по которому будут просверлены отверстия для защёлок накладок и отверстие под ПТФ.
Для Логан Фаза 1 понадобится просто вырезать заглушки в бампере, в нишах ПТФ.

Для установки ПТФ понадобится:
- Шаблон;
- Маркер;
- Дрель;
- Нож;
- Обезжириватель;
- Пластиковые хомуты.
Снимаем бампер.
Обезжириваем и размечаем бампер (Фаза2)/вырезаем заглушки (Фаза1).

Берем дрель и по разметке сверлим отверстия. Зачищаем их ножом. Убираем мусор и ещё раз обезжириваем, чтобы скотч приклеился. Устанавливаем заглушки в бампер. Прижимаем до защёлкивания и удерживаем пару секунд, чтобы скотч приклеился.

Далее, надо поставить ПТФ с рамкой на штатные пластмаски.

Фото до пропила отверстий.

На этом этапе возникает проблема – штатные заглушки, которые должны крепить рамку с ПТФ к бамперу крайне сложно найти в продаже. Вместо них используются пластиковые хомутики.
Рамка ПТФ имеет пластиковую полоску. Берем дрель и просверливаем все 4 крепления на бампере и 4 отверстия в рамке. Стягиваем пластиковыми хомутиками.
Должно держаться неподвижно.



Финальный этап – подключение.
Подключаем жгут к разъему, находящемуся за бампером с водительской стороны.
Внимание! В самой дешевой комплектации этого разъема нет (его придётся докупать и прокладывать отдельно)!

Место крепления жгута на Фаза2 — под нижней решеткой. (в Фаза1 – иначе).

Хомутами можно дополнительно закрепить накладку

Подключаем правую ПТФ

Прокладываем жгут

Подключаем левую ПТФ

Проверяем


Выключаем. Ставим бампер на место.
При креплении левого брызговика смотрим, чтобы жгут не болтается в воздухе.Если болтается – можно зафиксировать хомутом.

Готово.

Бесплатная замена масла в Логан-Шоп
Скоро открытие на Ветеранов 101
Двойная скидка на сервис
Акция Приятное знакомство- скидка 20% на работы
Инструкция по установке противотуманных фар на Логан
Установка ПТФ на Рено Логан Сандеро
- Файлы
- Двигатель
- Модель автомобиля: Logan, Sandero
Для установки ПТФ на Рено Логан или Сандеро потребуется приобрести необходимые запчасти (в зависимости от модели и комплектации)
– комплект противотуманных фар (ПТФ) – подрулевой переключатель (с положением для передних ПТФ) можно на разборке
– рамки (кронштейны) для ПТФ (комплект) – жгут проводов
– накладки на бампер (для Renault Logan фаза 2).
Список запчастей для разных моделей (Logan, Sandero)
Жгут проводов противотуманных фар Renault 240705062R Заглушка бампера для ПТФ передняя левая DC01-0L00 Заглушка бампера для ПТФ передняя левая DC01-0L00 Заглушка бампера для ПТФ передняя левая Renault 8200838547 Заглушка бампера для ПТФ передняя левая Renault 8200838547 Заглушка бампера для ПТФ передняя правая DC01-0R00 Заглушка бампера для ПТФ передняя правая DC01-0R00 Заглушка бампера для ПТФ передняя правая Renault 8200838548 Заглушка бампера для ПТФ передняя правая Renault 8200838548 Рамка противотуманной фары левая LOGEM LRT-259 (Sandero, Duster) Рамка противотуманной фары левая LOGEM LRT-259 (Sandero, Duster) Рамка противотуманной фары левая Renault 6001546786 (Logan фаза1) Рамка противотуманной фары левая Renault 6001546786 (Logan фаза1) Рамка противотуманной фары Левая Renault 6001549322 (Sandero, Duster) Рамка противотуманной фары Левая Renault 6001549322 (Sandero, Duster) Рамка противотуманной фары правая LOGEM LRT-260 (Sandero, Duster) Рамка противотуманной фары правая LOGEM LRT-260 (Sandero, Duster) Рамка противотуманной фары правая Renault 6001546785 (Logan фаза 1) Рамка противотуманной фары правая Renault 6001546785 (Logan фаза 1) Рамка противотуманной фары Правая Renault 8200785081 (Logan фаза 2) Рамка противотуманной фары Правая Renault 8200785081 (Logan фаза 2) Фара противотуманная Logan фаза 2 LOGEM LRT-299 (без лампы) Фара противотуманная Logan фаза 2 LOGEM LRT-299 (без лампы) Фара противотуманная Logan фаза 2 Renault 261508367R Фара противотуманная Logan фаза 2 Renault 261508367R Жгут проводов противотуманных фар Renault 240705062R Жгут проводов противотуманных фар Renault 240705062R Заглушка бампера для ПТФ передняя левая DC01-0L00 Заглушка бампера для ПТФ передняя левая DC01-0L00 Заглушка бампера для ПТФ передняя левая Renault 8200838547 Заглушка бампера для ПТФ передняя левая Renault 8200838547 Заглушка бампера для ПТФ передняя правая DC01-0R00 Заглушка бампера для ПТФ передняя правая DC01-0R00 Заглушка бампера для ПТФ передняя правая Renault 8200838548 Заглушка бампера для ПТФ передняя правая Renault 8200838548 Рамка противотуманной фары левая LOGEM LRT-259 (Sandero, Duster) Рамка противотуманной фары левая LOGEM LRT-259 (Sandero, Duster) Рамка противотуманной фары левая Renault 6001546786 (Logan фаза1) Рамка противотуманной фары левая Renault 6001546786 (Logan фаза1) Рамка противотуманной фары Левая Renault 6001549322 (Sandero, Duster) Рамка противотуманной фары Левая Renault 6001549322 (Sandero, Duster) Рамка противотуманной фары правая LOGEM LRT-260 (Sandero, Duster) Рамка противотуманной фары правая LOGEM LRT-260 (Sandero, Duster) Рамка противотуманной фары правая Renault 6001546785 (Logan фаза 1) Рамка противотуманной фары правая Renault 6001546785 (Logan фаза 1) Рамка противотуманной фары Правая Renault 8200785081 (Logan фаза 2) Рамка противотуманной фары Правая Renault 8200785081 (Logan фаза 2) Фара противотуманная в сборе Logan фаза 2 LOGEM LRT-299 (без лампы) Фара противотуманная в сборе Logan фаза 2 LOGEM LRT-299 (без лампы) Фара противотуманная в сборе Logan фаза 2 Renault 261508367R Фара противотуманная в сборе Logan фаза 2 Renault 261508367R
Противотуманные фары
Установка птф своими руками
Рассмотрим пример установки ПТФ на Рено Логан фазы 2.
Перед началом установки убедитесь в наличии специального реле в блоке, который находится в моторном отсеке, а также предохранителя на 15А под маркировкой F31, расположенного в предохранительном блоке у левой ноги водителя в салоне автомобиля. А вот, если вы посмотрите на панель со стороны пассажира, то увидите, что у Вас, скорее всего, нет салонного фильтра, это непорядок, скорее установите его!

Реле для противотуманной фары расположено под капотом автомобиля и отмечено на картинке красным кружком

Наличие и целостность этого предохранителя гарантия работоспособности всей схемы ПТФ.
Как показывает практика и отзывы большинства Логановодов, установка противотуманных фар не вызывает трудностей при наличии небольших навыков, подробной инструкции и набора всех необходимых инструментов:
- Комплект ПТФ.
- Новый подрулевой переключатель (в котором имеется положение для включения передних противотуманных фар). *
- Рамка для ПТФ (является вспомогательным инструментом).
- Жгут проводов.
- Маркер.
- Шуруповёрт или дрель.
- Напильник или шлифовальная бумага.
- Нож.
* Если вы «дружите» с паяльником и не пользуетесь задними противотуманными фарами, то вам может пригодиться подобная схема перепаивания проводов на стоковом переключателе.

Так расположены провода жёлтого и синего цвета до переделки.

А так они расположены после.
Не стоит подключать ПТФ параллельно лампам ближнего света, так как возрастёт нагрузка на стандартные провода, которые не рассчитаны на столько источников потребления тока. Также лампы ближнего света будут чаще перегорать из-за дополнительных источников нагрузки.
Установка противотуманных фар на логан 2
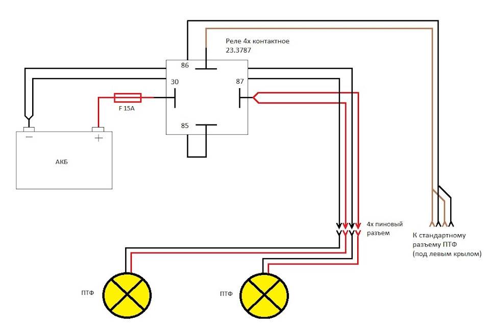
Решил и я в свой логан установить передние ПТФ. Статей на драйве куча, начитавшись выбрал для себя наиболее подходящий вариант. Я решил уложить все в один пост и не растягивать на несколько частей.Первым делом приобрел жгут противотуманных фар арт. 240709734R за 340р. от автоваза, он дешевле и все равно его резать буду.


ПТФ буду подключать через дополнительное реле, поэтому нужно было докупить следующие компоненты:— Реле 23.3787— Колодка соединительная для реле— Держатель предохранителя с предохранителем 15А— Соединительный разъем 4х пиновый герметичный— Клема типа “Мама” 4шт.— Наконечник кольцевой 2шт.— Провод монтажный красный 0,75 мм2 — 4м— Провод монтажный черный 0,75 мм2 — 4м— Гофра D 8.5 — 1м— Гофра D 4.6 — 2мИтого мелочевки на 460р.

Первым делом отрезал от жгута ПТФ стандартный разъем и припаял 4х пиновый.

Далее в соответствии со схемой спаял проводку для подключения к стандартному разъему птф который расположен под левым крылом, ниже АКБ.

Минус сразу идет с АКБ на ПТФ. Силовой контакт реле подключен через предохранитель 15А к + АКБ, управляющие контакты подключены к родному разъему птф. Соответственно когда включаем птф на подрулевом переключателе, срабатывает реле и + приходит на ПТФ.

Затем приобрел подрулевой переключатель с ПТФ арт. 8201167981 за 3650р. не дешевое удовольствие.


Отличие родного переключателя от нового

Установка не особо сложная, сначала снимается верхняя крышка за рулем, она на защелках. Нижняя крышка прикручена на двух Torx T15 и опускается вниз. Сам подрулевой переключатель держится двумя Torx T10. Отщелкивается большой разъем и маленький от подрулевого суппорта и ставится на его место новый переключатель.
Далее проблема получилась с приобретением самих ПТФ. Хотел изначально Valeo 088358, но у нас их просто не реально купить. На всех онлайн магазинах типа exist, emex и т.д. по данному артикулу привозят фары китайского производства, упакованы даже не в оригинальную упаковку. Убил на поиски более 2 недель но так и не нашёл их. Пришлось брать более менее аналог, точнее оригинал рено арт. 8200074008 по 1275р. за шт.
Ваш телефон
Не все комплектации недорогого автомобиля Renault Logan 2 поколения оснащаются противотуманными фарами. Но это легко исправить, обратившись в Супер-СТО. Подберем и установим под ключ ПТФ с управлением как от отдельной кнопки, так и от штатного подрулевого переключателя на выбор.

В ночное время суток, во время дождя или тумана на помощь ближнему свету приходят специальные противотуманные фары. При правильной установке и регулировке, подобные элементы освещения при неблагоприятных погодных условиях становятся незаменимыми помощниками для водителя.
https://youtube.com/watch?v=uvvigdleKBE
Установка ПТФ своими руками
Рассмотрим пример установки ПТФ на Рено Логан фазы 2.
Перед началом установки убедитесь в наличии специального реле в блоке, который находится в моторном отсеке, а также предохранителя на 15А под маркировкой F31, расположенного в предохранительном блоке у левой ноги водителя в салоне автомобиля. А вот, если вы посмотрите на панель со стороны пассажира, то увидите, что у Вас, скорее всего, нет салонного фильтра, это непорядок, скорее установите его!
Реле для противотуманной фары расположено под капотом автомобиля и отмечено на картинке красным кружком
Наличие и целостность этого предохранителя гарантия работоспособности всей схемы ПТФ.
Как показывает практика и отзывы большинства Логановодов, установка противотуманных фар не вызывает трудностей при наличии небольших навыков, подробной инструкции и набора всех необходимых инструментов:
- Комплект ПТФ.
- Новый подрулевой переключатель (в котором имеется положение для включения передних противотуманных фар). *
- Рамка для ПТФ (является вспомогательным инструментом).
- Жгут проводов.
- Маркер.
- Шуруповёрт или дрель.
- Напильник или шлифовальная бумага.
- Нож.
Так расположены провода жёлтого и синего цвета до переделки.
А так они расположены после.
Не стоит подключать ПТФ параллельно лампам ближнего света, так как возрастёт нагрузка на стандартные провода, которые не рассчитаны на столько источников потребления тока. Также лампы ближнего света будут чаще перегорать из-за дополнительных источников нагрузки.
Последовательность действий
- В первую очередь, чтобы снять подрулевой переключатель, необходимо отодвинуть водительское кресло назад до упора.
- Откручиваем два болта крепления кожуха.
- Опустив руль вниз, снимаем сначала верхнюю накладку, затем нижнюю.
- Затем откручиваем два болта крепления подрулевого переключателя, отсоединяем по бокам фиксирующий штекер.
Открутив два болта нажимаем на штекер по бокам и отсоединяем стоковый переключатель.
В таком рулевом переключателе сразу встроен вариант переключения передних ПТФ.
Сборку производим в аналогичном порядку снятия.
Подключаем ПТФ
Согласно ПДД противотуманные фары можно использовать вместо фар дневного света, а вот одновременно нет, поэтому всё и подключается через реле!
Фаза 2
Для монтажа ПТФ в фазе 2 необходимо предварительно вырезать шаблон, по которому нужно изготовить отверстия для защёлок и самой фары.
Шаблон необходимо вырезать по накладке, соблюдая все размеры.
Для наибольшей прочности и фиксации накладки можно обклеить двусторонним скотчем или лучше закрепить с внутренней стороны с помощью пластиковых хомутов.
Фаза 1
Далее, лучше всего снять передний бампер, о том, как легко это сделать написано в этой статье. Сняли бампер, установите парктроники!
- Отмечаем по шаблону места на бампере и высверливаем их с помощью шуруповёрта или дрели.
Благодаря шаблону, просверлить отверстия не составит труда
Заглушку следует вставлять в пазы до характерного щелчка и до момента когда она плотно войдёт в бампер.
Зафиксированную фару для надёжности стоит закрепить пластиковыми хомутами.
После того как фары установлены, подключить жгут проводов к фишке, не составит труда.
Проверяем на работоспособность и затем устанавливаем бампер в обратной последовательности снятию.
Как вы смогли убедиться сами, в установке такого важного элемента наружного освещения как противотуманная фара на Рено Логан нет ничего сложного. Весь процесс предельно понятен и прост. Мой муж очень рано выезжает на работу
Всегда волновалась за него: то зимой слишком темно, то весной дожди или туманы. А ехать достаточно далеко, теперь успокаивает меня противотуманными фарами
Мой муж очень рано выезжает на работу. Всегда волновалась за него: то зимой слишком темно, то весной дожди или туманы. А ехать достаточно далеко, теперь успокаивает меня противотуманными фарами.
Решили с отцом поменять противотуманные фары. Быстро разобрались благодаря подсказкам данной статьи. 20 минут и работа по установке была завершена.
Благодаря таким противотуманкам, вид у автомобиля становится более спортивный и агрессивный.
А после перепайки схемы птф будут гореть только при включенном ближнем свете и при отключение белка автоматически гаснуть как задние противотуманки или будут работать не зависимо. Спасибо
к чему крепятся рамки?
На бампере есть пластиковые выступы
Здравствуйте. У меня сандеро базовой комплектации. 1. Хотелось бы узнать проводка к передним птф установлена? Или все провода надо протягивать? И переключателю тоже тянуть? После перепайки проводов на заднюю птф это влияет?
Здрасти.У меня с внутренней части бампера незашто крепить птф,что посоветуйте?(2007/8/1.4)





































