Практикум начинающего автомеханика
Интересно, что с 2011-го комплектации Рено хоть и пережили немало изменений, но штатная проводка осталась «умеренно лояльной» к подключению неродных систем. Это существенно облегчает процесс тем автолюбителям, которые задались целью сделать все своими руками.

Помимо стандартного набора материалов (моток изоленты, 3–4 м гофрированных трубок сечением 10 мм, саморезы, хомуты) потребуется:
- Торцевой ключ на 10 мм.
- Отвёртки: крестовая и Т20.
- Паяльник мощностью 60 Вт.
Когда подготовка завершена, нужно определиться с дислокацией. Самый практичный вариант монтажа блока — под приборным щитком. Во-первых, там достаточно свободного пространства, во-вторых — минимальная влажность.
Чтобы установить сигнализацию в комфортных условиях, торпеду лучше снять (будет удобнее поставить требуемые элементы). Но, так как в Рено 4 точки крепления приборного щитка, сначала нужно аккуратно отсоединить их, а уж потом «устранить» защиту торпеды. Когда демонтаж завершён, остаётся несколько шагов.

- Завести блок сигнализации за щиток.
- Установить стяжку с поперечной балкой кузова (скрепить хомутами).
- Завести провод от блока под капот.
- Подключиться к проводке.
Монтаж датчиков
Датчики сигнализируют головному блоку о нанесении повреждений или несанкционированном проникновении в Renault Logan, затем блок посылает сигнал на, так называемый, «колокол», подающий звуковой сигнал на брелок владельца Renault Logan. Главным правилом при установке данных датчиков является выбор точек их крепления. Так как при неправильном выборе местоположения точек последующая эксплуатация автомобиля сопряжена с массой неудобств. К ним, прежде всего, относятся ложные срабатывания системы, ее высокая чувствительность работы к различного рода отклонениям, не имеющим ничего общего с опасностью для безопасности автомобиля.

Соблюдая простые правила при монтаже датчиков и выборе точек кнопки, владелец Renault Logan обезопасит эксплуатацию и повысит безопасность своего автомобиля.
Надежно ли устройство?
Несомненно, надежность иммобилайзера гарантирует каждый автомобильный салон, в котором продаются авто, где уже имеется встроенный штатный иммобилайзер, т.е. все салоны. И действительно, покупая Рено Логан, или любой другой автомобиль схожего класса, вы получите очень качественное изделие с достойной системой безопасности.
Однако все же есть шанс, что иммобилайзер взломают, шанс этот ничтожно мал, но он есть.
Для того, чтобы завести машину без определенного ключа, нужно подделать код, считываемый блоком иммобилайзера. Для этого следует подгадать время и место, иметь сложнейшее оборудование и определенные навыки. Одним словом, угонщик вам должен попасться крайне изощренный. Естественно таких людей мало, так что вы можете спать спокойно, главное не теряйте ключи.

Установка и подключение автосигнализации на Renault Logan 1 2006-2014
Где сидит фазан?
Как охотник из детской присказки про радугу озадачен местоположением фазана, так владелец Рено — цветовой гаммой проводов, которые нужно адаптировать с сигнализацией. Без всякой иронии: даже инструкция и схема контактов не всегда гарантируют точность.
Поэтому, подключив массу, придётся тщательно перепроверить все точки спайки с проводкой. Если без эксцессов (заводского брака), то так.
- Подключение тахометра к бледно-голубому проводу.
- Стояночного тормоза — к серому.
- Отпирание дверей установить на розовый, запирание — на оранжевый.
- Поворотники «защёлкнуть» на бежевый и белый.
Если сигнализация с автозапуском, чтобы не перепутать точки питания, потребуется схема приборного щитка. Жгут проводов, располагающийся за ним, необходимо разобрать, обеспечивая подключение силовых цепей. Чтобы отыскать точки крепежа самостоятельно, придётся отделить все ведущие от замка зажигания кабели.
- Красный — для постоянного плюса.
- Розовый — для стартера.
- 2 крупных жёлтых — под зажигание и аксессуары.
В дополнение, нужно будет поставить клемму на тонкий зелёный провод, объединяющий концевики задних дверей с багажником.
Renault Scenic III карты монтажа сигнализации StarLine
2 Renault Scenic III 2009-2015 (Старт-Стоп, МКПП) установка охранно-телематического комплекса StarLine A96 карта монтажа файл конфигурации
3 Renault Scenic III 2009-2015 (Старт-Стоп, АКПП) установка охранно-телематического комплекса StarLine A96 карта монтажа файл конфигурации
4 Renault Scenic III 2009-2015 (Старт-Стоп, МКПП) установка охранно-телематического комплекса StarLine E96 карта монтажа файл конфигурации
5 Renault Scenic III 2009-2015 (Старт-Стоп, АКПП) установка охранно-телематического комплекса StarLine E96 карта монтажа файл конфигурации
6 Renault Scenic III 2009-2015 (Старт-Стоп, МКПП) установка охранно-телематического комплекса StarLine S96 карта монтажа файл конфигурации
7 Renault Scenic III 2009-2015 (Старт-Стоп, АКПП) установка охранно-телематического комплекса StarLine S96 карта монтажа файл конфигурации
Выбор типа сигнализации для последующей установки
Для автомобиля Рено Логан на рынке представлено огромное множество различных моделей нештатных систем сигнализации. Владельцу лишь остается сделать выбор и определиться с тем, какую систему ставить. Большинство современных систем в бюджетном сегменте имеют незначительные отличия, которые заключаются в следующем:
- Наличие системы автозапуска двигателя. Положительной стороной автозапуска является возможность прогрева силового агрегата в зависимости от требований владельца. Установка системы, оснащенной автозапуском, требует небольших, но дополнительных работ с системой зажигания Рено Логан;
Принцип работы системы автозапуска: автомобиль находится в закрытом состоянии, однако блок сигнализации запускает двигатель и начинается его прогрев.
- Также многие системы оснащаются аварийной кнопкой, сигнализирующей об опасности (такой тип аварийной кнопки обязательно входит в комплект системы с автозапуском).
Любая сигнализационная система содержит перечень правил по установке и эксплуатации, при соблюдении которых можно подключить основные элементы к системам автомобиля, остальные же действия должны быть совершены автолюбителем, исходя из собственного опыта и представлений о безопасности.
Установка сигнализации своими руками
О том, как установить автомобильную сигнализацию своими руками на примере Starline A91 Dialog с функцией автозапуска читайте ниже в нашей статье.
Starline A91 Dialog — современная автомобильная сигнализация с диалоговым кодом радиоуправления «Быстрый диалог» и функцией автозапуска двигателя. «Быстрый диалог» — код управления с индивидуальными ключами шифрования исключает интеллектуальный электронный взлом.
Сигнализация Starline A91 Dialog.
Необходимый инструмент:
- Сигнализация.
- Диод 1N4007.
- Электропривод замка дверей (при отсутствии).
- Ручной инструмент.
- Мультиметр.
Пошаговая установка
- Самым первым шагом в установке сигнализации будет снятие облицовки с рулевого вала. Для этого выкручиваем два самореза.
Приложив усилие можно их легко открутить, а облицовку демонтировать.
Откручиваем поочерёдно, сначала два с одной стороны и два с противоположной.
Кожух убирайте аккуратно, чтобы не повредить фиксаторы.
Датчик удара должен быть плотно зафиксирован на месте.
Антенна фиксируется при помощи двустороннего скотча.
При подключении сирены не забываем прикрутить провод массы.
Гофру дополнительно зажимаем хомутами.
Блок сигнализации должен быть плотно зафиксирован на своём месте.
Особое внимание уделите схеме при подключении силовых проводов. Вся работа может быть выполнена в течении 4-х часов, однако во время выполнения всех процедур следует быть предельно аккуратным и внимательно изучить нашу инструкцию
Вся работа может быть выполнена в течении 4-х часов, однако во время выполнения всех процедур следует быть предельно аккуратным и внимательно изучить нашу инструкцию.
Сведения о штатной схеме
В автомобиле «Рено Логан» управление ЦЗ ведётся отрицательным импульсом. Это значит, что за торпедо находятся два провода, по которым осуществляется управление:
- Когда к массе на 0,8 секунды подключается один из управляющих шнуров – замки закрываются;
- Если это же действие выполняется со вторым шнуром – происходит отпирание.
Алгоритм, приведённый выше, в «Логане» реализован штатно.

Внешний вид центральной консоли
Сразу заметим, что оба провода, которые нужны нам, подключены к блоку управляющей кнопки «4». Первый совет: демонтируйте этот блок.

Каждую кнопочку поддевают отвёрткой
Разъём кнопки снабжён 5-ю контактами. Ничего сложного тут нет, два контакта всегда соединены вместе:

Схема распайки внутреннего разъёма
Найдите, где расположены клеммы «2/3», и проверьте их тестером (индикатор покажет «короткое замыкание»). Будут нужны только крайние контакты, «1» и «5», и теперь вы уверенно сможете указать, где именно они находятся.
С АКБ достаточно снять минусовую клемму, и затем можно коммутировать любые провода. То, что рассмотрено выше, имеет отношение к сигнальной проводке. Но пренебрегать советом об отключении АКБ не нужно и в данном случае.
Установка сигнализации Starline A63 на Renault Logan 2 2018 года с доводкой окон и турботаймером
Разбираем приборный щиток, освобождаем от изоленты толстый жгут.
В этом жгуте находим 6 толстых жёлтых проводов (зажигание). Перекусывая каждый из этих проводов при включенном зажигании находим два, которые прерывают подачу питания на стеклоподъемник водительской и пассажирской двери. В разрыв этих проводов подключаем реле, которое будет подавать питание в момент постановки сигнализации на охрану в течение 10 секунд на стеклоподъемники.
В пассивном состоянии реле замкнуто. Когда идет поднятие стёкол реле размыкается и подает питание на стеклоподъемники.
Второе реле турботаймера подключается между красным +12в и желтым проводом (зажигание).
Разбираем водительскую дверь и протягиваем в неё один провод. В двери подключаемся к бело/бежевому проводу в разъеме подъёмника. При подаче минуса, при включенном зажигании, стекло должно подниматься в верх. Для поднятия используем гибкий канал.
Подключаем доводчик. Разрываем провод, выходящий из водительской двери бежевого цвета (подается силовой минус с доводчика). Два остальных провода (задние двери) разрываем на кнопках управления стеклоподъемниками по центру торпедо. На обеих кнопках коричневые провода, управление силовым минусом.
Протягиваем в багажник оранжево/белый провод концевика багажника и там подключаемся к зелёному проводу от замка багажника через два диода.
За приборкой прячем блок и подключаем.
+12в – толстый красныйЗажигание – желтый, перед реле поддержки зажигания стеклоподъемников, ближе к замку зажигания. В настройках CAN возможно убрать галочку с “зажигание”.Стартер – розовый (дополнительная блокировка)CAN – внизу на блоке комфорта коричневый/красный – на бежевый, коричневый – на синий
Программируем гибкие дополнительные каналы. На поднятие водительского окна делаем задержку 2 секунды, время работы 10 секунд, условие “постановка в охрану”. На поддержку зажигания задержка 0, работа 10 секунд, условие “постановка в охрану”.
Подключение по аналогу (без can модуля).
На разъеме приборного щитка:Ручник – зеленый, 3-й с краюГенератор (+) – зеленый, 5-й с краю
На блоке комфорта: В белом разъеме:аварийка – синий и розовый
В черном разъеме:концевики дверей – зеленый, коричневый и зеленый. Подключить через 6 диодов.
Центральный замок: в черном разъеме – закрыть какой-то зеленый, открыть – минус на любой провод концевиков.
В багажник от сигнализации тянем три провода.
Концевик багажника – на замке багажника зеленый, через 2 диода.
Там же, на электроприводе замка – розовый и черный. Если на розовый подать «–» (доп. канал открытия багажника), замок откроется.
Чтобы багажник не открывался под охраной, нужно разрезать черный провод, и к концу, идущему к электрическому замку, подключить дополнительный канал, на котором присутствует корпус без охраны (н/р блокировка).
Установка сигнализации Renault Logan, точки подключения Рено Логан — StarLine
При подключении сирены не забываем прикрутить провод массы. Жгут всех проводов укладываем в специальную гофрированную защиту, присоединяем всё пластиковыми хомутами и заводит всё в салон автомобиля кстати в стандратной комплектации у Логана рено логан подключение сигнализации салонного фильтра через специальную резиновую заглушку со стороны водителя.
Если после того как провода проведены, виднеются просветы, рено логан подключение сигнализации обработать эти места силиконом. Главные точки отвечают за такие функции: Поверхность рулевого вала — служит местом установки датчика удара. Точки на главном переключателя света — ответственность за подачу сигналов. Точка в жгуте двери со стороны водителя — устанавливают концевик двери, регулирующий её открытие и закрытие.
Точки подключения сигнализации Рено Логан
Центральный замок и замок зажигания — подключение для работоспособности системы. Установка и подключение сигнализации к каждой точке займут достаточно времени. Владелец машины будет должен зачистить провода, позаботиться о их изоляции и правильно соединить кабеля с системой машины. Важными элементами при установке являются концевик двери и капота, центральный замок и замок зажигания, места подключения основного блока, установки сирены и рено логан подключение сигнализации.

Следуя инструкции к конкретной сигнализационной системе, установить охрану на рено логан сможет любой владелец. При этом выйдет дешевле и человек на будущее узнает, какие точки подключения сигнализации есть в его машине. Устал платить за штрафы? Выход есть!

https://carfrance.ru/kak-ustanovit-signalizaciyu-na-reno-logan-svoimi-rukami/ https://zamenarenault.ru/logan/obshhee-temy/signalizatsii-logan.html https://avtoplus33.ru/info/logan-tochki-podkljuchenija-signalizacii/ https://carfrance.ru/kak-ustanovit-signalizaciyu-na-reno-logan-svoimi-rukami/ https://nesthotel.ru/renault/%D1%83%D1%81%D1%82%D0%B0%D0%BD%D0%BE%D0%B2%D0%BA%D0%B0-%D1%81%D0%B8%D0%B3%D0%BD%D0%B0%D0%BB%D0%B8%D0%B7%D0%B0%D1%86%D0%B8%D0%B8-%D0%BD%D0%B0-renault-logan.html
Рено логан – точки подключения сигнализации и их особенности
Каждая точка подключения автомобильной сигнализации должна находиться в скрытом месте. Это необходимо для того, чтобы злоумышленник не мог увидеть сигнализационной системы. Каждый концевик двери или багажника внешне незаметен и чтобы до него добраться необходимо открывать специальные щитки. Центральный замок спрятан от посторонних глаз под кучей стандартных приборов. По такому же принципу располагаются и остальные точки подключения. Их такая дислокация дает возможность сделать процесс защиты транспортного средства продуктивным и незаметным.
Чтобы подключить концевики двери и багажника к охранной системе необходимо грамотно и незаметно проложить проводку. Делать это необходимо, используя дополнительно резиновые пластиковые трубки и высококачественную изоляционную ленту. Центральный замок находится глубоко и к нему прокладка проводов будет сложной. В этом деле нельзя спешить, чтобы всё было точно и качественно.
Точки подключения рено логан отвечают за какую-то конкретную функцию машины и сигнализации. Главные точки отвечают за такие функции:
Renault Sandero Stepway карты монтажа сигнализации StarLine
2 Renault Sandero Stepway 2014-2017 (Ключ, МКПП) установка охранно-телематического комплекса StarLine A96 +iKey карта монтажа файл конфигурации
3 Renault Sandero Stepway 2014-2017 (Ключ, АКПП) установка охранно-телематического комплекса StarLine A96 +iKey карта монтажа файл конфигурации
6 Renault Sandero Stepway 2014-2017 (Ключ, МКПП) установка охранно-телематического комплекса StarLine E96 +iKey карта монтажа файл конфигурации
7 Renault Sandero Stepway 2014-2017 (Ключ, АКПП) установка охранно-телематического комплекса StarLine E96 +iKey карта монтажа файл конфигурации
9 Renault Sandero Stepway 2014-2017 (Ключ, МКПП) установка охранно-телематического комплекса StarLine M96 +iKey карта монтажа файл конфигурации
10 Renault Sandero Stepway 2014-2017 (Ключ, АКПП) установка охранно-телематического комплекса StarLine M96 +iKey карта монтажа файл конфигурации
11 Renault Sandero Stepway 2014-2017 (Ключ, МКПП) установка охранно-телематического комплекса StarLine S96 +iKey карта монтажа файл конфигурации
12 Renault Sandero Stepway 2014-2017 (Ключ, АКПП) установка охранно-телематического комплекса StarLine S96 +iKey карта монтажа файл конфигурации
14 Renault Sandero Stepway 2019 (Ключ, МКПП) установка охранно-телематического комплекса StarLine A96 +iKey карта монтажа файл конфигурации
15 Renault Sandero Stepway 2019 (Ключ, АКПП) установка охранно-телематического комплекса StarLine A96 +iKey карта монтажа файл конфигурации
16 Renault Sandero Stepway 2019 (Ключ, МКПП) установка охранно-телематического комплекса StarLine E96 +iKey карта монтажа файл конфигурации
17 Renault Sandero Stepway 2019 (Ключ, АКПП) установка охранно-телематического комплекса StarLine E96 +iKey карта монтажа файл конфигурации
18 Renault Sandero Stepway 2019 (Ключ, МКПП) установка охранно-телематического комплекса StarLine S96 +iKey карта монтажа файл конфигурации
Renault Sandero карты монтажа сигнализации StarLine
4 Renault Sandero 2014-2017 (Ключ, МКПП) установка охранно-телематического комплекса StarLine A96 +iKey карта монтажа файл конфигурации
5 Renault Sandero 2014-2017 (Ключ, АКПП) установка охранно-телематического комплекса StarLine A96 +iKey карта монтажа файл конфигурации
8 Renault Sandero 2014-2017 (Ключ, МКПП) установка охранно-телематического комплекса StarLine E96 +iKey карта монтажа файл конфигурации
9 Renault Sandero 2014-2017 (Ключ, АКПП) установка охранно-телематического комплекса StarLine E96 +iKey карта монтажа файл конфигурации
12 Renault Sandero 2014-2017 (Ключ, МКПП) установка охранно-телематического комплекса StarLine M96 +iKey карта монтажа файл конфигурации
13 Renault Sandero 2014-2017 (Ключ, МКПП) установка охранно-телематического комплекса StarLine S96 +iKey карта монтажа файл конфигурации
14 Renault Sandero 2014-2017 (Ключ, АКПП) установка охранно-телематического комплекса StarLine S96 +iKey карта монтажа файл конфигурации
16 Renault Sandero 2019 (Ключ, АКПП) установка охранно-телематического комплекса StarLine A96 +iKey карта монтажа файл конфигурации
18 Renault Sandero 2019 (Ключ, МКПП) установка охранно-телематического комплекса StarLine E96 +iKey карта монтажа файл конфигурации
19 Renault Sandero 2019 (Ключ, АКПП) установка охранно-телематического комплекса StarLine E96 +iKey карта монтажа файл конфигурации
20 Renault Sandero 2019 (Ключ, МКПП) установка охранно-телематического комплекса StarLine S96 +iKey карта монтажа файл конфигурации
Установка сигнализации своими руками
О том, как установить автомобильную сигнализацию своими руками на примере Starline A91 Dialog с функцией автозапуска читайте ниже в нашей статье.
Starline A91 Dialog — современная автомобильная сигнализация с диалоговым кодом радиоуправления «Быстрый диалог» и функцией автозапуска двигателя. «Быстрый диалог» — код управления с индивидуальными ключами шифрования исключает интеллектуальный электронный взлом.
Сигнализация Starline A91 Dialog.
Необходимый инструмент:
- Сигнализация.
- Диод 1N4007.
- Электропривод замка дверей (при отсутствии).
- Ручной инструмент.
- Мультиметр.
Подключение сигнализации Рено Логан 2 — бесключевой обход

8594 Просмотра
Схема установки сигнализации на Renault Logan 2 модель с 2014 года
Устанавливаем сигнализацию Pandora DX 50 B с автозапуском и Can — Lin модулем в комплекте
Подключение к CAN Рено Логан

Витая пара CAN-шины находится в жгуте диагностического разъема OBD-2 в разъеме приборной панели или блока BCM.
Подключитесь к витой паре в следующей последовательности: оранжево-белый — к белому, 6 пин ( CAN-H); оранжево-черный — к коричневому, 14 пин ( CAN-L)
Разборка салона логан 2

Для подключения к кнопке аварийки требуется снять пластиковую накладку, накладка крепится на пластиковых клипсах.
Снимаем подрулевой пластик для подключения автозапуска
Подключение автозапуска Логан 2

Подключение проводов за приборной панелью или на блоке BCM: красный провод (+12В). Черный масса.

АСС желтый провод напротив розового. Зажигание желтый провод напротив красного на замке зажигания.
К стартеру подключаемся к силовому реле управления стартера под капотом, Светло синий провод

Второй вариант подключения стартера в салоне на замке зажигания

Если присутствует реле стартера, Для этого не обходимо еще использовать один канал настроенный как стартер отрицательного потенциала для управления реле стартера от блока BCM контакт 3 разъема S2

В настройках Автозапуск сигнализации, Обходчик штатного иммобилайзера разрешите пункт Обходчик штатного иммобилайзера по CAN.
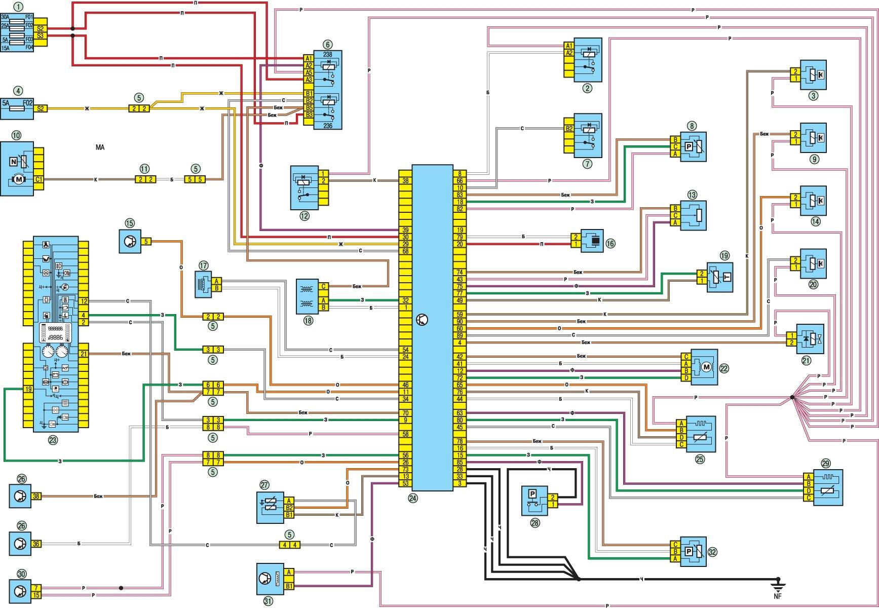
Схемы электрооборудования
Чтобы читать электрические схемы, нужно знать условные обозначения узлов и деталей, а также важнейшие графические условные обозначения. В случае необходимости увеличения рисунка электросхемы — щёлкните по изображению.
Все схемы предоставляются абсолютно бесплатно и без регистрации.
Схема электропривода зеркал Renault Logan 1 — блок предохранителей в салоне; 2 — блок управления наружными зеркалами заднего вида; 3 — электропривод левого наружного зеркала заднего вида с обогревом; 4 — электропривод правого наружного зеркала заднего вида с обогревом.
Схема электропривода зеркал Renault Logan 1 — блок предохранителей в салоне; 2 — блок управления наружными зеркалами заднего вида; 3 — электропривод левого наружного зеркала заднего вида с обогревом; 4 — электропривод правого наружного зеркала заднего вида с обогревом. Реле же коммутируют высокие токи в защитном кожухе распределительного щитка, что также в разы снижает вероятность возгорания.
Внизу цепь тока оканчивается горизонтальной линией, которая символизирует присоединение к корпусу. Выберете из списка справа нужную Вам электросхему.
Присоединение к корпусу обычно осуществляется непосредственно через кузов или через провод, который соединяется с кузовом.
Тормозные механизмы передних колес дисковые, с плавающей скобой. Реле же коммутируют высокие токи в защитном кожухе распределительного щитка, что также в разы снижает вероятность возгорания.
Причина почему не заводится рено Логан, Сандеро, Ларгус, Логан2 часть2
Renault Kaptur карты монтажа сигнализации StarLine
3 Renault Kaptur 2016-2018 (Старт-Стоп, АКПП) установка охранно-телематического комплекса StarLine A96 +iKey карта монтажа файл конфигурации
4 Renault Kaptur 2016-2018 (Старт-Стоп, МКПП) установка охранно-телематического комплекса StarLine A96 +iKey карта монтажа файл конфигурации
6 Renault Kaptur 2016-2018 (Старт-Стоп, МКПП) установка охранно-телематического комплекса StarLine E96 +iKey карта монтажа файл конфигурации
8 Renault Kaptur 2016-2018 (Старт-Стоп, АКПП) установка охранно-телематического комплекса StarLine M96 +iKey карта монтажа файл конфигурации
9 Renault Kaptur 2016-2018 (Старт-Стоп, МКПП) установка охранно-телематического комплекса StarLine M96 +iKey карта монтажа файл конфигурации





































