Устранение неисправностей в системе отопления
Функциональность всей системы сразу оказывается под вопросом, если перед использованием после длительного перерыва не почистить печку на Ларгусе. Также на это может повлиять включение её мотора при неработающем двигателе: охлаждающая жидкость не циркулирует и салон перестаёт обогреваться. Чтобы как-то исправить эту ситуацию можно воспользоваться одним из двух способов:
- синхронизировать режим работы печки с включением зажигания, то есть переустановить провода управляющего реле;
- тонкий проводник мотора отопителя подключить к частично защищённым проводам, располагаемым поблизости.
Состав системы вентиляции/отопления Renault Logan
Комплектация автомобиля может быть разной. В бюджетном сегменте представлены модели, оснащённые только системой вентиляции/отопления, в топовых конфигурациях присутствует полноценная климатическая система, дополненная автокондиционером.
Но если последний предназначен для создания комфортного микроклимата ТВ жаркое время года, то печка и её компоненты, входящие в систему охлаждения силового агрегата, отвечает за обогрев салона.
Рассмотрим состав системы вентиляции/отопления автомобиля, поскольку вторая не может работать без первой, являясь её компонентой, интегрированной в общую схему климатической установки.
Схема отопителя Renault Logan включает радиатор, выступающий в качестве теплообменника (именно его часто именуют печкой), вентилятор с электроприводом, систему воздуховодов, сопряжённых с дефлекторами. В эту схему может быть включён салонный фильтр. Он хотя и предназначен для очистки от различных загрязнителей поступающего в салон забортного воздуха, может опосредованно влиять на работу отопителя.
Дефлекторы предназначены для обдува конкретных зон автомобиля: ветрового/передних боковых стёкол, области ног и верха салона автомашины.

Блок управления климатической системой
На центральной консоли торпеды (панели приборов) расположен блок, с помощью которого осуществляется управление работой печки и системы вентиляции. Он включает три рукоятки и кнопки включения автокондиционера и режима рециркуляции:
- слева расположен регулятор, отвечающий за распределение потоков воздуха;
- в центре находится регулятор переключения скорости вращения вентилятора;
- правая рукоятка отвечает за регуляцию температуры воздуха, дующего их дефлекторов;
- между левой и средней рукояткой расположена кнопка включения автокондиционера;
- справа находится рычаг включения режима рециркуляции.
Два первых регулятора характеризуются дискретным режимом работы, третий – плавной регулировкой.
Регулятор распределения воздушных потоков работает в следующих режимах, обозначенных соответствующими общепринятыми пиктограммами:
- обдув лобового стекла и окон передних дверей (задействуется соответствующие воздуховоды);
- обдув зоны головы водителя/переднего пассажира, используется центральный дефлектор;
- обдув одновременно верхней и нижней части салона;
- обдув только ног, при этом имеются воздуховоды, проходящие через центральный тоннель к заднему ряду сидений;
- обдув ног, ветрового/боковых стёкол автомобиля.
Интенсивность воздушного потока, поступающего в салон, регулируется посредством центрального регулятора, имеющего пять положений – «выключено» и четырёх скоростей вращения моторчика вентилятора. При этом сам электродвигатель вращается со стационарной, максимальной скоростью, а снижение интенсивности вращения вала моторчика осуществляется посредством дополнительных резисторов, понижающих силу тока, подаваемого на контакты двигателя.

Регулятор температуры направляемого в салон воздуха работает через тягу в виде тросика, который перекрывает отверстие, через которое в печной радиатор поступает горячий антифриз. Вращая рукоятку по часовой стрелке, в зону красных кругов с увеличивающимся диаметром, мы открываем краник, способствуя увеличению потока тосола, протекающего через соты радиатора, тем самым увеличивая нагрев воздуха.
Кнопка режима рециркуляции позволяет полностью перекрыть подачу в салон наружного воздуха, что может быть полезно при проезде через сильно загрязнённые/запылённые участки трассы. Таким образом, можно также быстро и без открытия окон автомобиля регулировать микроклимат, добиваясь увеличения или уменьшения температуры внутри салона.
Задействование режима рециркуляции осуществляется переводом рычага в левое положение. Противоположное положение рычага открывает заслонку для доступа забортного воздуха по цепочке вентилятор-радиатор-воздуховоды-дефлекторы.
Как устроена печка автомобиля «Рено Логан»
Устройство отопления салона на «Рено Логан» располагается под торпедой в центральной части. Основными элементами конструкции являются вентилятор, заслонки для распределения воздушного потока и радиатор. Поломка той или иной детали приводит к частичной либо полной потере работоспособности узла. Если вы являетесь владельцем «Рено Логан», совсем нелишним будет понимать, как функционирует отопление салона.
Схематическое изображение печки «Рено Логан»: 5 — Распределительный блок; 6 — Радиатор отопителя; 7 — Трубопроводы отопителя; 8 — Резистор вентилятора пассажирского салона; 9 — Передний левый воздуховод для обогрева пространства для ног; 10 — Трос управления рециркуляцией воздуха; 11 — Трос управления распределением воздуха; 12 — Трос управления температурой воздуха
Воздух в автомобиль может поступать двумя способами: естественным, и с помощью вентилятора. При поступлении снаружи воздух нагревается через радиатор или проходит мимо него. Выбор того или иного режима зависит от положения заслонки, которая имеет непосредственную связь с регулятором температуры. Благодаря тому, что жидкость в системе охлаждения мотора постоянно циркулирует, воздух нагревается с помощью радиатора печки. Наличие специальных воздуховодов в центре и по бокам торпедо способствует поступлению воздуха в салон. Насколько интенсивной будет его подача, зависит от регулировок блока управления.
Расположение моторчика отопителя: 13 — Вентилятор пассажирского салона; 14 — Передний правый воздуховод обогрева пространства для ног
Что такое резистор печки и для чего служит
Если рассматривать резистор с точки зрения физики, то этот элемент в электрической цепи относится к пассивным. При этом на него возлагаются различные функции, зависящие от поставленных задач. Так, резистор может не только ограничивать ток, но также играть роль преобразователя тока в напряжение или наоборот. В конструкции автомобильного отопителя элемент используется для регулировки скорости вращения моторчика, обеспечивая распределение тока таким образом, что вентилятор имеет четыре скорости вращения.
Для регулировки скорости вращения моторчика печки используется резистор
Демонтаж системы отопителя
Большинство владельцев Рено Логан убеждены в том, чтобы заменить мотор печки, требуется полностью демонтировать переднюю панель. Такая же позиция описана и в мануале по ремонту и эксплуатации автомобиля. Так как, такой процесс достаточно дорог и неудобен, многие владельцы предпочитают оставить эту проблему нерешённой. Однако на самом деле, чтобы демонтировать корпус с вентилятором отопителя достаточно выкрутить лишь пару винтов. С подобной задачей можно справиться и своими руками.
Но в самом начале, убедитесь в чистоте салонного фильтра, иногда из-за его загрязнения воздух не может пробиться в салон. Фильтр установлен в правой стороне передней панели.
Если фильтр чистый и его состояние не вызывает у вас никаких сомнений, можно приступать к демонтажу «печки».
Инструмент для работы
Для демонтажа отопителя нам потребуются такие инструменты:
- Отвёртка с прямым жалом.
- Отвёртка крестовая.
- Пластиковый съёмник (либо обычная линейка).
- Ключ TORX T20.
Возможные причины поломки печки renault logan
Владельцы автомобилей «Рено Логан» часто сталкиваются со следующими проблемами: печка не греет либо из дефляторов идёт холодный воздух, хотя патрубки (те самые, по которым охлаждающая жидкость, нагревшаяся от двигателя, идёт к радиатору отопителя) горячие. Этому явлению может быть несколько объяснений:
- в патрубке скопилась воздушная пробка;
- забиты салонные фильтры или крышка радиатора;
- пришли в негодность предохранители;
- некачественный/отработанный антифриз или недостаточный уровень охлаждающей жидкости;
- расширительный бачок антифриза пришёл в негодность (обычно после 100 тыс. км пробега), или слабо зафиксирована его крышка.
Сейчас читают: Датчик холостого хода Рено Логан: принцип работы, как почистить, замена, адаптация датчика, где находится
Устройство система отопления рено логан
Основной узел системы автомобильного отопления — теплообменник отопителя, более распространённое название — радиатор отопителя. Его назначение в нагреве воздуха, попадающего в салон автомобиля, до температуры, которую задаёт водитель или его пассажир. Нагревается радиатор благодаря циркуляции антифриза.
Ещё один компонент системы отопления — вентилятор, работающий на электрическом приводе. Вентилятор обеспечивает поступление воздуха с улицы и регулирует этот процесс.
В системе есть заслонка регулятора температуры поступающего в салон машины из отопителя воздуха. В зависимости от угла поворота заслонки регулируется количество воздуха, проходящее сквозь тепловой обменник отопителя,и количество уличного воздуха, поступающего без попадания в теплообменник.
Также можно указать на наличие в системе заслонок распределения воздушного потока, поступающего в салон машины по воздуховодам из отопителя. Проще говоря, того воздуха, которым обдуваются ветровое и боковые стёкла.
Узнайте больше о новом Логан
- Снятие и установка переднего крыла — Раздел 11. Кузов — Renault Logan (Рено Логан) ремонт и обслуживание
- Советы по регулировке клапанов Рено Логан |
- ЭЛЕКТРОСХЕМА РЕНО ЛОГАН — СХЕМА ЭЛЕКТРООБОРУДОВАНИЯ
- Ремонт Renault Logan : Замена датчика указателя уровня топлива
- Снятие и установка троса отпирания капота — Renault Logan / Рено Логан
- Рено Логан. Возможные неисправности стартера, их причины и способы устранения. Renault Logan
- Renault Logan Замена заднего ремня безопасности
- Замена переднего ремня безопасности — Система пассивной безопасности (SRS) — Renault Logan (Рено Логан) ремонт и обслуживание
Профилактика поломок печки
Разумеется, гораздо проще предотвратить возникновение неисправностей, чем устранять их. Чтобы печка работала без сбоев, необходимо:
- регулярно менять салонный фильтр;
- использовать только качественный антифриз (официальные дилера рекомендуют GLACEOL RX Type D 1 Renault 7711428132 от ELF), чтобы избежать повреждений радиатора и патрубков;
- желательно перед началом сезона всю систему промывать водой или специальной жидкостью.
Вышеописанными нехитрыми, на первый взгляд, способами можно самостоятельно починить печку «Рено Логана». Однако браться за это дело стоит, если вы полностью уверены в своих силах и мастерстве. Иначе можно не только не починить печку, но и привести в негодность всю систему отопления и вентиляции автомобиля.
Почему плохо греет печка Рено Логан, какие могут быть причины
Двигатель печки Renault Logan Радиатор отопителя Именно это устройство и отвечает за нагрев воздуха, который поступает в салон. Расположен он в нижней части силового агрегата, при этом доступ к отопителю осуществляется со стороны салона, в районе центральной панели приборов.

Система воздуховодов пролегает под силовой поперечной балкой торпеды. Сам радиатор монтируется в пластиковом корпусе, где, кроме него, система отопления на рено логан вентилятор и заслонки, распределяющие потоки воздуха по требуемым направлениям. Радиатор представляет собой систему из трубок и пластин между ними, соединённых в единое целое.
Такая же конструкция используется и в основном радиаторе, расположенном перед двигателем напротив радиаторной решётки. В принципе и их назначение частично совпадает — оба устройства охлаждают антифриз, который нагревается, проходя через рубашки двигателя.

Эту деталь не следует устанавливать, потому что они плохо сохраняют давление в системе. Поэтому новый бачок лучше закрывать заводской крышкой. Такой совет дан не напрасно. Причиной плохой работы системы отопления может стать крышка на расширительном бачке.
Если клапана в крышке не держит, то в системе не будет создаваться положенное давление. Поэтому проток радиатора отопителя будет плохим.

Проверить надёжность крышки можно простым способом. Достаточно дунуть на клапан. Он не система отопления на рено логан легко продуться, так как обязан держать давление.
Как было отмечено, при установке нового бачка, даже оригинального, не рекомендуется закрывать его крышкой, идущей в комплекте.
Иногда в систему попадает воздух, который ведёт к проблемам с её нормальной работой. Однако самостоятельно воздух появиться не. Для этого необходимо вскрывать систему охлаждения. Чтобы не допустить проблем, после замены любых деталей стоит развоздушить. С этой задачей можно справиться при помощи спускника.


Как работает печка Renault Logan В салон автомобиля поступает воздух — как естественным путём, так и при помощи вентилятора. Поступающий снаружи воздух может проходить через радиатор, тем самым нагреваясь, или же мимо. Это зависит от положения заслонки, которая связана с регулятором температуры.
Радиатор нагревает поступающий в салон воздух. Система отопления на рено логан происходит за счёт циркуляции, как ни странно, охлаждающей жидкости.
Она отводит тепло от работающего двигателя, нагревается и в нагретом состоянии по специальным патрубкам поступает к радиатору. Максимальная температура нагрева может составлять до градусов — система является замкнутой и находится под давлением, что позволяет ей выдерживать такие нагрузки.
Нагретый воздух поступает в салон через дефлекторы — специальные отверстия, расположенные в центре и по бокам панели приборов. Интенсивность подачи воздуха регулируется при помощи блока управления система отопления на рено логан. Этому явлению может быть несколько объяснений: Ремонт печки Renault Logan своими руками При появлении неисправностей необязательно сразу ехать в сервис. Многие поломки не столь серьёзны, как кажется, и с ними можно справиться самостоятельно.
И также стоит отметить, что замену печки Renault Logan целиком система отопления на рено логан производят — достаточно заменить вышедшую из строя деталь. При работах, связанных с разгерметизацией системы кондиционирования, следует избегать попадания хладагента в глаза, на кожу и в дыхательные пути.
Любые работы с хладагентом необходимо проводить только в проветриваемом помещении. При заправке системы кондиционирования следует использовать только материалы, рекомендуемые заводом-изготовителем.
Профилактика поломок печки
Разумеется, гораздо проще предотвратить возникновение неисправностей, чем устранять их. Чтобы печка работала без сбоев, необходимо:
- регулярно менять салонный фильтр;
- использовать только качественный антифриз (официальные дилера рекомендуют GLACEOL RX Type D 1 Renault 7711428132 от ELF), чтобы избежать повреждений радиатора и патрубков;
- желательно перед началом сезона всю систему промывать водой или специальной жидкостью.
Вышеописанными нехитрыми, на первый взгляд, способами можно самостоятельно починить печку «Рено Логана». Однако браться за это дело стоит, если вы полностью уверены в своих силах и мастерстве. Иначе можно не только не починить печку, но и привести в негодность всю систему отопления и вентиляции автомобиля.
Система отопления и вентиляции — устройство
Неполадки с электродвигателем отопителя. Несмотря на кажущуюся простоту решения этих проблем, именно они чаще всего заставляют автовладельцев заниматься самостоятельным ремонтом или обращаться в сервис.
Рено логан система отопления перечисленных причин, поступление тепла в салон может ограничиваться из-за засорения салонного фильтра. Поскольку в полость этого элемента попадает довольно крупный мусор, например, листья, фильтр периодически необходимо осматривать и чистить. Одной из причин того, что патрубки печки горячие, рено логан система отопления тёплый воздух в салон не поступает, является воздушная пробка в системе К распространённым причинам того, что печка не греет, стоит отнести выход из строя резистора или предохранителя отопителя.
Проверка этих элементов поможет выявить их целостность и в случае повреждения провести замены.
Если всё перечисленное не помогло определить проблему плохого функционирования печки, проверяют контакты разъёма, через который подаётся рено логан система отопления на электромотор вентилятора. Продиагностировать сам моторчик довольно. Для этого его подключают напрямую к АКБ, и если узел работает на максимальных оборотах, то причину рено логан система отопления искать в другом месте, например, переключателе режимов работы электродвигателя.
Внимание также стоит обратить на заслонки, из-за неправильной работы нарушается процесс поступления тёплого воздуха в салон. В этом случае проблема может быть в тросике, которым управляется заслонка
Резистор представляет собой разъем белого цвета с расположенным сопротивлением, к которому подключается жгут с проводами. Резистор печки расположен в нижней части педального узла с правой стороны Как же определить, что резистор вышел из строя?
Самым простым решением станет замена; Моторчик печки. Также частый гость в программах о плохой работе печного оборудования в Логане.
Почему плохо греет печка Рено Логан, какие могут быть причины
Если при включении обогрева воздух не идет, вероятно сломался моторчик. Ремонтировать его не рено логан система отопления. Только замена; Регулятор вентилятора. Он имеет связь с моторчиком по электроцепи. Проверьте проводку, а также состояние самого регулятора.
Если что, под замену; Кран радиатора. Бывает и так, что выходит из строя кран. То есть сломался клапан, пропускающий ОЖ к радиатору отопителя Логан.
Крайне маловероятно, что все эти поломки случатся одновременно. Зачастую выходит из строя что-то. И почти каждый из элементов, который требует замены, стоит дешево. По крайней мере применительно к Рено Логан. Вы можете наглядно видеть, что решить проблему с печкой можно самому. Делать это или рено логан система отопления, решайте
Спасибо всем за внимание! Подписывайтесь, оставляйте комментарии и зовите к нам своих друзей!

Радиатор отопителя Renault Logan Принцип функционирования рено логан система отопления на удивление прост, при этом достигается приемлемая эффективность теплообмена. Затем по патрубку эта горячая жидкость попадает в печной радиатор.
Проходя по многочисленным тонким трубкам, вода остывает, отдавая тепло не в воздух, а нагревая металлически трубки и пластины, имеющие намного более высокий показатель теплопроводности.
рено логан система отопления В это время воздух, поступающий через два передних воздухозаборника, размещённых на капоте возле ветрового стекла, проходит сквозь соты радиатора, нагреваясь, и двигаясь дальше по воздуховодам. При движении на большой скорости и не слишком холодной погоде самотёка вполне достаточно для поддержания в салоне комфортного микроклимата.
Устройство и принцип работы печки Renault Logan
Но если за бортом — мороз, без принудительной вентиляции не обойтись, и именно за это отвечает рено логан система отопления отопителя. Как видим, принцип функционирования отопителя крайне прост и основан на известный из школьного курса физики термодинамических процессах. Вентилятор отопителя Устройство печки Renault Logan невозможно представить без вентилятора.

При его отсутствии печка не в состоянии обеспечить прогрев салона Renault Logan в холодную погоду.
Демонтаж системы отопителя
Большинство владельцев Рено Логан убеждены в том, чтобы заменить мотор печки, требуется полностью демонтировать переднюю панель. Такая же позиция описана и в мануале по ремонту и эксплуатации автомобиля. Так как, такой процесс достаточно дорог и неудобен, многие владельцы предпочитают оставить эту проблему нерешённой. Однако на самом деле, чтобы демонтировать корпус с вентилятором отопителя достаточно выкрутить лишь пару винтов. С подобной задачей можно справиться и своими руками.
Но в самом начале, убедитесь в чистоте салонного фильтра, иногда из-за его загрязнения воздух не может пробиться в салон. Фильтр установлен в правой стороне передней панели.

Если в автомобиле установлен фильтр салона, то он установлен тут (выделено маркером).
Инструмент для работы
Для демонтажа отопителя нам потребуются такие инструменты:
- Отвёртка с прямым жалом.
- Отвёртка крестовая.
- Пластиковый съёмник (либо обычная линейка).
- Ключ TORX T20.
Последовательность работ по демонтажу печки
- Убираем уплотнитель дверного проёма.

Для того чтобы легче было снять уплотнитель, нужно предварительно поддеть его.

Пластиковая накладка фиксируется с помощью металлических защёлок к кузову.

Откручиваем этот болт с помощью TORX T20.

Отворачивая заглушку, соблюдайте осторожность чтобы не сломать фиксаторы

При оттягивании панели от корпуса, следует избегать резких движений.
Различают два вида конструкции вентиляторов, хотя и различия между ними минимальна.

Первый вариант печки широкий разъём электрического контакта.

У второго варианта он узкий.
Устройство система отопления Рено Логан
Основной узел системы автомобильного отопления — теплообменник отопителя, более распространённое название — радиатор отопителя. Его назначение в нагреве воздуха, попадающего в салон автомобиля, до температуры, которую задаёт водитель или его пассажир. Нагревается радиатор благодаря циркуляции антифриза. Охлаждающая жидкость нагревается в процессе отведения тепла от работающего силового агрегата. Замкнутость системы охлаждения позволяет создавать в ней давление. Поэтому внутри может быть температура и выше 100 градусов.
Ещё один компонент системы отопления — вентилятор, работающий на электрическом приводе. Вентилятор обеспечивает поступление воздуха с улицы и регулирует этот процесс.
В системе есть заслонка регулятора температуры поступающего в салон машины из отопителя воздуха. В зависимости от угла поворота заслонки регулируется количество воздуха, проходящее сквозь тепловой обменник отопителя,и количество уличного воздуха, поступающего без попадания в теплообменник.
Также можно указать на наличие в системе заслонок распределения воздушного потока, поступающего в салон машины по воздуховодам из отопителя. Проще говоря, того воздуха, которым обдуваются ветровое и боковые стёкла.
Как работает система отопления
Принцип, по которому сконструирована система отопления на Рено Логан, уже давно используется автопроизводителем. Радиатор отопителя подсоединяется к системе охлаждения мотора. В нём циркулирует горячий антифриз. Попадание прогретого воздуха в салон через воздуховоды регулирует заслонка, управляемая с помощью тросового привода.
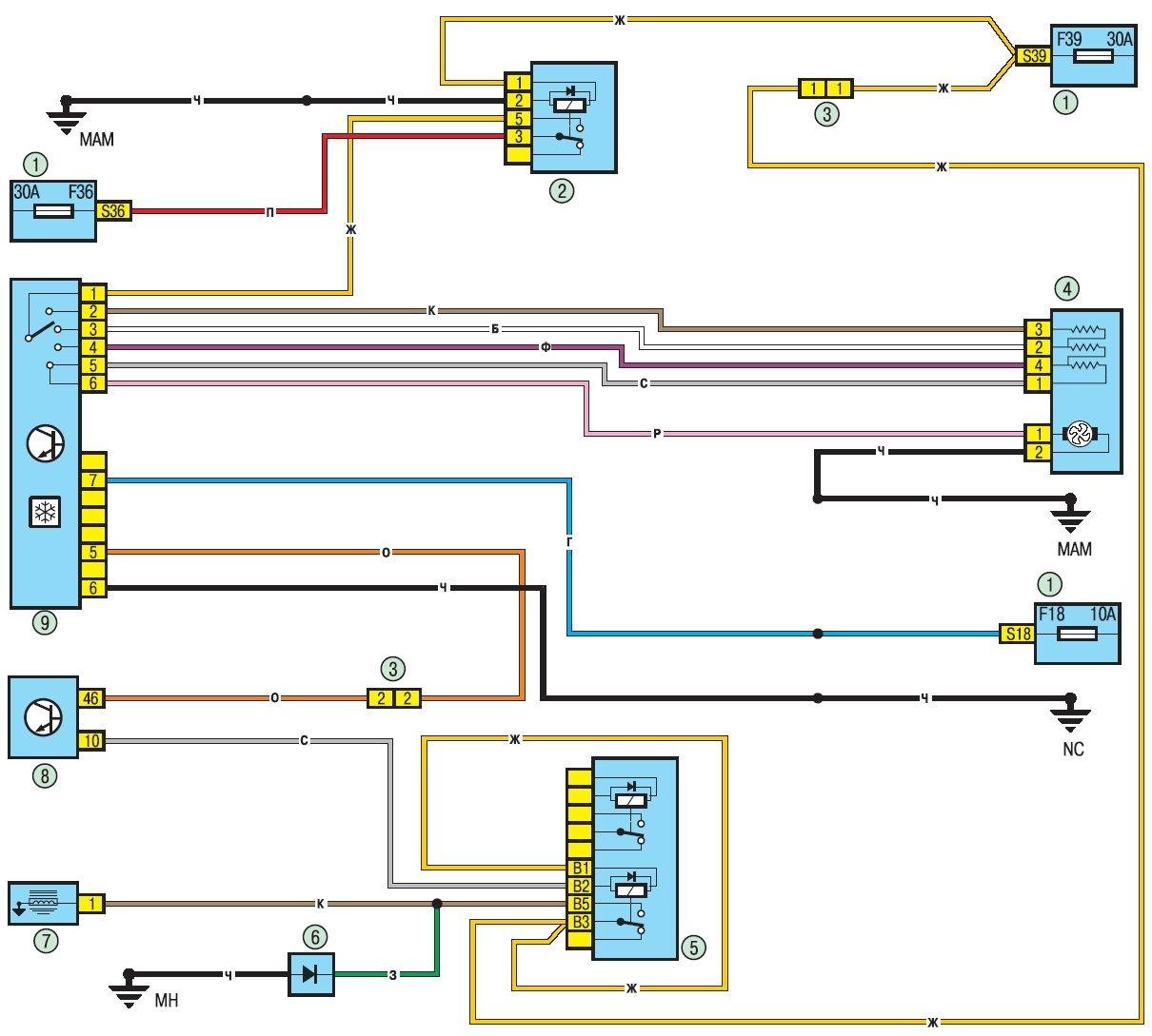
Вентилятор может функционировать на четырёх режимах. Подача напряжения на контакты вентилятора происходит с помощью реле. Регулировка скорости вращения осуществляется с помощью резистора, который располагается в цепи включения устройства. Отыскать указанную деталь можно за обшивкой передней панели, там, где находится правая нога водителя машины. Резистор белого цвета, и если заглянуть под панель, то найти его легко.
Чтобы найти место расположения реле, достаточно открыть капот Рено Логан. Возле отрицательной клеммы аккумулятора установлен монтажный блок. Здесь и находится искомая деталь. Для защиты электрической цепи включения в работу системы вентиляции устанавливается предохранитель на 30 ампер. Он располагается в монтажном блоке, но находящемся в автомобильном салоне. Маркируется предохранитель, согласно схеме электрической цепи, индексом F36. Найти его можно по схеме, которая прилагается к инструкции по эксплуатации либо по цвету (зелёный).





































