Привод ГРМ двигателя Рено Дастер 1.6 H4M

Цепной привод ГРМ нового движка Рено Дастер 1.6 пожалуй главное достоинство нового агрегата. Цепь очень долговечна и практически не требует обслуживания. Правда в случае необходимости её замены, это процедура существенно дороже, чем заменить ремень. Кроме того, мало кто знает, но цепей в новом движке Дастера две. Одна вращает звездочки распредвалов, а вторая небольшая цепь вращает звездочку масляного насоса мотора. На нашем фото, чуть выше, это можно хорошо рассмотреть.
Технические характеристики двигателя Рено Дастер 114 л.с.
- Рабочий объем — 1598 см3
- Количество цилиндров — 4
- Количество клапанов — 16
- Диаметр цилиндра — 78 мм
- Ход поршня — 83.6 мм
- Мощность л.с. — 114 при 5500 оборотах в минуту
- Мощность кВт — 84 при 5500 оборотах в минуту
- Крутящий момент — 156 Нм при 4000 оборотах в минуту
- Степень сжатия — 10,7
- Привод ГРМ — Цепь
- Максимальная скорость 4×2 — 167 км/ч (4×4 — 166 км/ч)
- Разгон до первой сотни 4×2 — 11.8 сек. (4×4 — 12.5 с.)
- Расход топлива по городу 4×2 — 9,1 л. (4×4 — 9.3 л.)
- Расход топлива в смешанном цикле 4×2 — 7,4 л. (4×4 — 7.6 л.)
- Расход топлива по трассе 4×2 — 6,3 л. (4×4 — 6.8 л.)
Каждый из двигателей Duster 1.6 имеет свои плюсы и минусы. Что касается динамики и расхода топлива, то более мощный 114 сильный бензиновый силовой агрегат конечно предпочтительнее.
Товары и услуги в Москве — портал Moskva.tiu.ru
164195400R Кронштейн топливного фильтра для Renault Duster 2010- Б/У
Фильтр топливный PE815/7
Фильтр топливный Citroen/Peugeot 1567C6
Фильтр топливный Renault Logan, Sandero, Duster «Невский фильтр»
ФИЛЬТР ТОПЛИВНЫЙ RENAULT LOGAN, SANDERO, DUSTER НЕВСКИЙ ФИЛЬТР NF-2115G для автомобилей
Фильтр топливный KNECHT Fuel Filter KX 338/28D
Фильтр воздушный Renault 8200985420 Duster 1.5D
Фильтр топливный MANN Fuel Filter PU 9011 z KiT
Электробензонасос на Лада Ларгус, Рено Логан 172024388R
Фильтр масляный Renault 8200768927 Kangoo Megan Duster 1.5D
Фильтр топливный FiLTRON Fuel Filter PE 815/7
Фильтр воздушный Fram CA11232 8200985420 Renault Duster 1.5D
Фильтр салона Goodwill AG136CF AG557CF Micra Note Clio Logan Sandero Duster
Фильтр салонный Лада Ларгус, Renault Duster 1, Logan 1, Sandero 1 Filtron K1152A
Фильтр топливный RENAULT Genuine Fuel Filter 1640 054 20R
Фильтр топливный дизельный Renault 164039594R (Logan, Sandero, Duster 1.5Dci, оригинал)
Фильтр топливный дизельный Asam-SA 30519 (Logan, Sandero, Duster 1.5Dci аналог 8200813237)
Фильтр топливный KnechtMhale KL4161 (Largus, Logan, Sandero, Duster бензиновый на быстросъемах 7700845961)
Фильтр топливный LYNXauto LF-1400 (Largus, Logan, Sandero, Duster бензиновый на быстросъемах 6001546326)
Система выпуска, “экология”, наддув
Как и у большинства современных дизелей, со временем у К9К могут возникнуть вопросы по работоспособности системы EGR и сажевого фильтра. Причины проблем известны: короткие городские поездки, езда в натяг без больших оборотов, что не позволяет “продышаться” двигателю и произвести прожиг фильтра в автоматическом режиме, использование масла, не соответствующего спецификации.
Работу клапана EGR рекомендуется периодически проверять, при необходимости чистить (обычно это помогает и замена клапана не требуется). Если владелец не обеспечивает условий для прожига сажевого фильтра, придется проводить принудительную регенерацию в условиях сервиса. Но до этого лучше не доводить, в частности, не игнорировать предупреждение (контрольную лампу). Впрыск мочевины встречается лишь у самых современных версий у “европейских” машин. Особых проблем система пока не доставляет.
От масла, а также условий эксплуатации, зависит и “здоровье” турбины. В зависимости от модификации двигателя используются различные модели турбокомпрессоров BorgWarner, на мощных версиях – с изменяемой геометрией. Если двигатель исправен, турбина ходит не менее 200 тысяч километров. Иногда требует замены датчик давления наддува.
Причины затруднительного пуска двигателя
Если Дастер не заводится, причину неисправности следует искать в разных узловых элементах. К числу вероятных дефектов, провоцирующих данную проблему, относится следующее:
- аккумулятор, разрядившийся из-за того, что машина стояла долго без движения;
- нет искры в свечах зажигания;
- засорение воздушного фильтра;
- попадание воды в топливную систему;
- недостаточный прогрев автомобиля.
Эти проблемы сравнительно легко выявить. Большие сложности возникают, если двигатель у Дастера начинает плохо заводиться из-за нарушения в работе датчика, который оснащается система охлаждения. Проблемы с этой деталью возникают при потере контакта. Однако не исключена вероятность появления проблемы из-за некорректных пусковых параметров.
Второй возможной причиной того, что Дастер не заводится, может быть некорректная работа программного обеспечения мотора. Данный дефект устраняется исключительно у дилера по запросу со стороны автовладельца конкретного кроссовера. Производитель редко проводит отзывную кампанию, связанную с некорректной работой ПО.
Севший аккумулятор
К числу наиболее вероятных причин того, почему может Рено Дастер плохо , относится севший аккумулятор. Объяснятся это тем, что, если не эксплуатировать кроссовер в течение долгого промежутка времени (особенно зимой), емкость АКБ снижается.

При подобных нарушениях рекомендуется зарядить аккумулятор. Если на Дастере используется свинцовый АКБ, крайне не рекомендуется допускать снижение емкости ниже установленного производителем уровня. В таком случае придется купить новый аккумулятор.
Попадание воды в топливо
Из-за проблем с топливом не заводятся все машины. Это касается как дизельных, так и бензиновых моделей. Поэтому при частых проблемах с пуском мотора следует рассмотреть вариант замены заправочной станции.
В холодное время года Дастер нередко не заводится из-за конденсата, образовавшегося на элементах топливной системы. В этом случае рекомендуется добавить небольшое количество спирта в бак.
Проблема в свечах
Если Дастер не заводится, то следует проверить наличие искры в свечах. Эта проблема относится к числу наиболее распространенных и возникает в основном при минусовых температурах. Также отсутствие искры может объясняться декопрессией или другими повреждениями электродов, следов налета. После замены свечей мотор начнет работать.

Проблема воздушного фильтра
Как при высокой, так и при низкой температуре окружающей среды возможно засорение воздушного фильтра, устанавливаемого в моторах. Из-за этого плохо заводится двигатель Дастера (дизель и бензиновый). Устраняется данная неисправность путем замены засорившегося фильтра.

Непрогрев и короткие поездки
Если Рено Дастер плохо , то причина проблемы может крыться в особенностях эксплуатации автомобиля. Из-за частых, но коротких поездок двигатель при минусовых температурах не успевает прогреваться. Вследствие этого затрудняется запуск мотора.
Особенности
Особенностью топливного насоса Дастер является то, что вместо стандартного топливного фильтра на автомобиле установлена «пустышка». Многие владельцы французского кроссовера рано или поздно обнаруживают данную проблему и спешат заменить топливный фильтр. Делать это нет необходимости, так как фильтр тонкой очистки в топливном насосе Дастер присутствует – он установлен в баке и рассчитан на 12 тыс. км пробега. Установка элемента-пустышки оправданна тем, что в данном варианте не приходится менять всю конструкцию топливной системы, в этом случае фильтр-обманка является своего рода крепежным элементом.
Конструктивные особенности разный модификаций кроссовера
С периодичностью замены топливного фильтра на Reno Duster все ясно, а вот что касается самих изделий, то здесь ситуация достаточно интересная.
Бензиновые версии
На бензиновых 1,6-ти и 2,0-вой версиях используется встроенный фильтр тонкой очистки, и он входит в состав топливного модуля, который в себя также включает топливный насос и сеточный элемент грубой очистки.
Согласно технической документации, замена только одного ФТО не возможна, необходимо менять топливный модуль в сборе (номер по каталогу – 172025090R).
Но поскольку топливный модуль по стоимости значительно превышает обычный фильтр, да и из-за одной составляющей менять весь узел – не целесообразно, автолюбители нашли выход из ситуации.
Фильтры тонкой очистки топлива фирм Nipparts (N1331054) и Zekkert (KF-5463) вполне подходят в качестве изделия для использования взамен оригинального, но с одной поправкой. Производители: первый – Нидерланды, второй – Германия.
Указанные устройства немного меньше по размерам, поэтому при установке их в корпус топливного модуля и посадке насоса в фильтр нужно использовать уплотнители (к примеру, полоски из пластиковых стяжек).
У Reno Duster с 2-литровыми моторами есть одна особенность, касающаяся топливной системы. Многие владельцы этой версии кроссовера в подкапотном пространстве возле правого крыла обнаруживают резервуар, подключенный к топливопроводам, по форме и размерам очень сильно напоминающий выносной фильтр тонкой очистки.
Но указанный резервуар фильтром не является, поскольку в нем отсутствует наполнитель – он пустой. Из-за этого автолюбители называют деталь «пустышкой» и сетуют на то, что автопроизводитель решил сэкономить на установке нормального расходника.
По официальной же версии производителя указанный резервуар — вовсе не фильтр, а ресивер, предназначенный для сглаживания пульсации топлива, а сам очистительный элемент располагается в топливном модуле.
Видео — фильтр невидимка.
Одним из вариантов объяснения использования ненужного, по сути, ресивера является внесение изменений в конструкцию авто для унификации деталей.
То есть, изначально предполагалось установить выносной фильтр под капотом, но после от него отказались, отдав предпочтение топливным модулям. В посадочное же место просто установили «пустышку» (назвав ее ресивером), чтобы не пришлось заменять топливные магистрали.
Автовладельцы возмущаются наличием «пустышки», но от нее может быть существенная польза, ведь никто не мешает ее заменить на ФТО. И хоть в каталоге оригинальных запчастей отсутствует выносной фильтр, но вполне можно подобрать аналоги.
ПОПУЛЯРНОЕ У ЧИТАТЕЛЕЙ: Новый Renault KOLEOS 2020 года в деталях
Благодаря установке дополнительного выносного элемента повышается уровень очистки топлива (но при этом возрастает нагрузка на насос).
Интересным вариантом является установка и использование выносного фильтра в качестве основного, после того, как элемент, размещенный в топливном модуле, полностью засориться и перестанет выполнять свои функции (при этом очиститель в модуле даже менять не придется, достаточно лишь обеспечить подвод бензина к насосу в обход ФТО).
Дизельные варианты
В дизельный Reno Duster используется топливный фильтр выносного типа. Причем на дорестайлинговых и рестайлинговых моделях они отличаются.
На первых Дастер используется неразборной металлический топливный фильтрующий элемент. Оригинальная запчасть идет в каталоге под индексом 8200813237.
Но данное изделие устанавливается на авто с завода и купить его невозможно. Для замены же можно использовать аналоги – Delphi HDF954 и ASAM 30519.
При подборе ФТО для дизеля также следует учесть наличие датчика воды. На одних фильтрах под него нет посадочного отверстия, на других оно имеется.
На рестайлинговых же версиях уже используется разборной фильтр со сменной очистной кассетой. В такой конструкции замене подлежит только сама кассета. В каталоге оригинальных запчастей она идет под индексом 164037803R.
Помимо оригинальной делали на замену можно подобрать аналоги – Knecht-Mahle (KX 338/26D, он же – 164039594R), BOSCH (F026402825) MANN-FILTER (PU9011 Z KITT).
Мой Duster
Функция фильтрования (очистки) воздуха направлена на эффективные процессы работы движка автомобиля. Воздушные потоки поступают в систему вентиляции Renault Duster через фильтр и создают допуск чистому кислороду, для успешной работы двигателя внутреннего сгорания. Для изготовления очистных фильтров применяют различные материалы, которые оказывают влияние на результат защиты внутренней системы оборудования подачи воздуха. Каждый очистной элемент относится к определенному классу уловителей пыли: Тип фильтра зависит от срока замены его размещения, и топлива, на котором работает двигатель. Принцип действия по очищению поступающего воздуха аналогичный для всех фильтрующих изделий. Существует определенный порядок замены механизма на Рено Дастер по показаниям спидометра (пробег), и типу топлива (бензин/дизельное). Обычно, в случае повышенного показателя загрязнений окружающей среды, отступают от установленного порядка. Через каждые 10 — 15 км следует проводить замену фильтрующих прокладок в автомобиле.
Провести замену элемента фильтрации можно в автосервисе, но дешевле это выполнить самостоятельно. Двигатели Renault Duster на 1.6 и 2.0 работают на бензине, а 1.5 на дизельном топливе. Принцип действий несколько отличается, поэтому рассмотрим каждый в отдельности.
Замена воздушного фильтра на Рено Дастер 1.6 и 2.0
Краткая инструкция поможет самостоятельно провести замену воздушного фильтра своими руками, основное условие — запомнить порядок операций, для успешной обратной сборки.
Основной порядок действий: снять резонатор, деталь узла воздушного фильтра и выхлопной системы, которая отвечает за распределение потоков воздушных масс и снижает уровень шумов в моторе Рено Дастер и других авто. При этом оба корпуса резонатора и воздушного фильтра следует разъединить, крышку фильтра снять. В процессе разбора следует снять клеммы с АКБ, обесточить питание движка и бортовых устройств.
Владельцу машины надлежит ослабить хомут язычка и удалить патрубок. Далее: отключить вакуумную трубку, вывести из разъема, выкрутить крепежные винты и изъять фильтр из корпуса. Вставить новый элемент и провести точную сборку в обратном порядке.
Замена воздушного фильтра Рено Дастер 1.5 дизель
Замена воздушного фильтра на Рено Дастер (автомобиль дизельный) проходит по идентичной схеме действий. С возрастанием числа км пробега элемент фильтрации очень засоряется из-за микрочастиц, входящих в воздушные массы. Это приводит к пониженному проценту сгорания топлива и повышенному расходу затрат емкости (бензобак). Снижается мощность движка и повышаются вредные выбросы в атмосферу. Регулярная замена фильтра сохраняет базовый ресурс машины и влияет на экологию атмосферы.
Замену следует проводить по ряду явных признаков (показания приборов) и списку причин повреждения устройства. Есть два способа замены фильтрующих прокладок: обращение в автосервисный центр, или самостоятельные действия. По расчетам второй вариант выступает более выгодным для автовладельцев.
Порядок замены воздушного фильтра на Рено Дастер дизель:
- купить соответствующий размерам фильтр;
- подготовить необходимые инструменты (вид крепления в авто);
- иметь под рукой чистую ветошь;
- щетка для снятия пыли/грязи на деталях;
- компрессор для продува.
Последующий алгоритм процесса замены на Рено Дастер проходит по общей схеме:
- установить машину на горизонтальную поверхность;
- поставить на «ручник» и выключить зажигание;
- поднять крышку капота;
- открутить крепежные винты крышки фильтра и провести демонтаж;
- аккуратно изъять старый элемент, защитить патрубок (впускной) от попадания частиц грязи/мусора;
- прочистить корпус воздушной фильтрации с помощью щетки/компрессора;
- подготовить патрубок и установить новую фильтрующую прокладку;
- выполнить обратную сборку.
Заменить воздушный фильтр на Рено Дастер — это значит продлить использование автомобиля в 100 % рабочем состоянии и сохранить стабильность работы двигателя. Самостоятельная замена позволит сэкономить средства и выполнить все требования по соблюдению норм выхлопов отработанного топлива. Проводить самостоятельные действия по замене элемента следует в необходимые сроки.
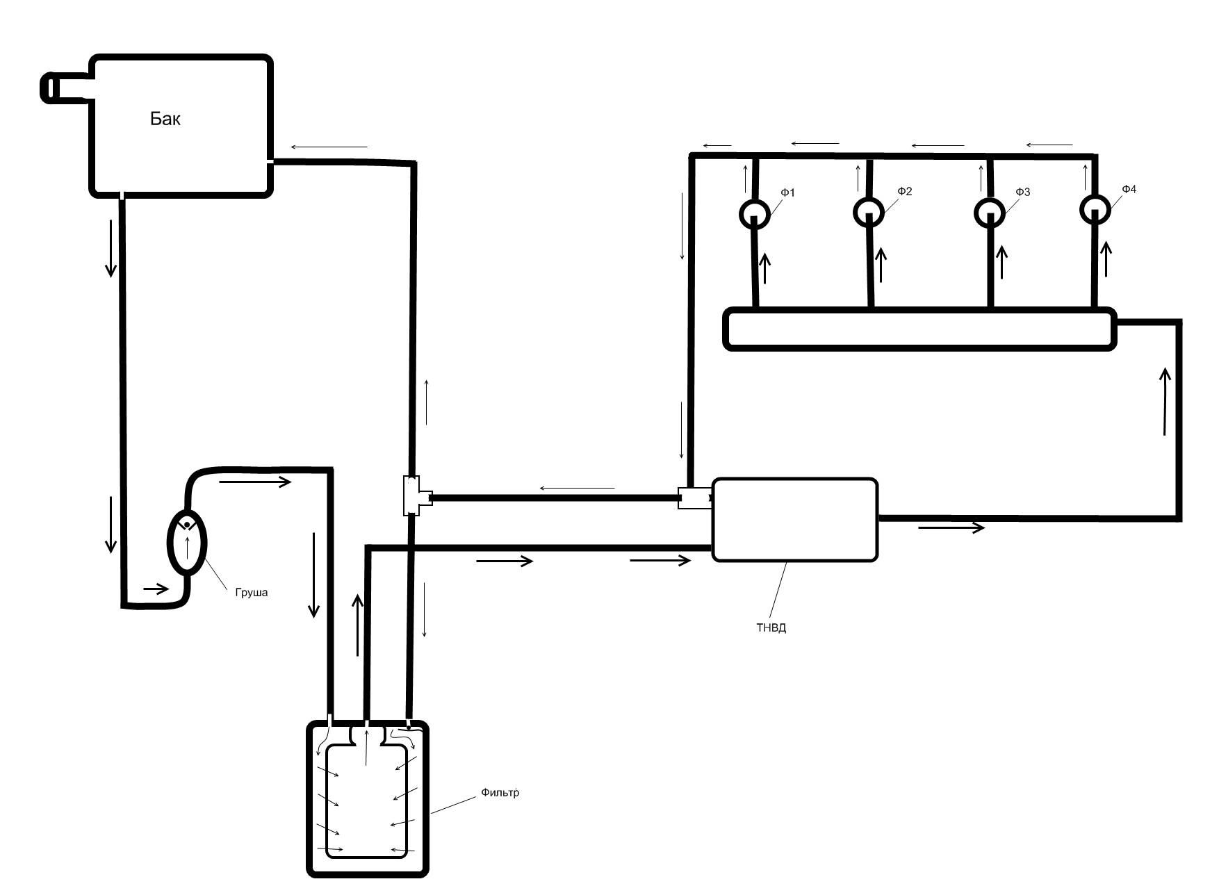
Предназначение и состав
Система питания дизельного двигателя предназначена для того, чтобы хранить соляру в автомобиле, а также правильное распределение и своевременную подачу горючей смеси в цилиндры в строго определенных порциях, которые устанавливаются в соответствии с режимом работы ДВС. Эта система состоит из нескольких важных устройств.
Важным элементом системы считается топливный бак, назначение которого в том, чтобы хранить соляру и производить ее охлаждение. При повреждении бака содержимое может протекать, это следует немедленно устранить.
- Во-первых, это приводит к резкому росту потери топлива через появившееся отверстие.
- Во-вторых, это может привести к возгоранию из-за появления внешней искры.
Второй немаловажной частью считаются фильтры. Они бывают грубой и тонкой очистки
Они обязательно должны быть установлены. Установка двух фильтров требуется для того, чтобы уловить даже самые мельчайшие лишние элементы, которые могут попасть в форсунки.
Современные дизели обладают промежуточным охлаждением нагнетаемого воздуха.
Форсунки устанавливаются на мотор для того, чтобы подавать горючую смесь в цилиндры под высоким давлением. Когда форсунки забиваются, то перестает попадать горючая жидкость в цилиндры, из-за чего ДВС теряет мощность и может вовсе перестать работать.
Топливный насос и ручной подкачивающий насос устанавливаются на ТНВД для того, чтобы передать соляру из бака в форсунки. ТНВД является топливным насосом высокого давления, многие его называют — аппаратура.
Трубопроводы бывают как низкого, так и высокого давления. Они нужны для того, чтобы организовать подачу топлива в форсунки. Если они будут забиты, то топливо не будет подано. За чистоту в трубопроводах отвечают фильтры.
Регулятор вращения коленчатого вала и привод управления подачи топлива напрямую зависят друг от друга. Если какой-то агрегат будет работать неправильно или вовсе не работает, то и ДВС будет работать нестабильно.
Все эти элементы работают только совместно, и каждый зависит от всех других
Поэтому важно вовремя и правильно обеспечивать очистку и ремонт всех устройств системы.

Система охлаждения двигателя тоже входит в состав мотора. Она предназначена для того, чтобы охлаждать важнейшие узлы и агрегаты мотора.
Чтобы подробно рассмотреть устройство топливной системы дизельного двигателя, нужно увидеть схему работы. Найти схемы можно по соответствующему запросу. Чтобы понять, как работает ДВС, нужно прочитать информацию о том, как он работает и узнать его прямое назначение. Топливная система любого мотора устроена так, чтобы вовремя и в правильной дозировке подавать горючую смесь в цилиндры. Перед тем как подать топливо в цилиндры, оно первоначально смешивается в специальной камере.
Информация о дизельном Рено Дастер
Извечный спор – что лучше дизель или бензин, наверное в данном случае совсем не уместен.
А все потому, что компания Renault заранее позаботилась о тех и других, оставляя выбор самому покупателю и сегодня речь идет о Рено Дастер дизель, цена которого составляет 639.000 рублей в версии Expression и соответственно 692.
000 рублей в версии Privelege. Любой из этих вариантов представляет из себя полный привод 4х4, двигатель объемом 1.5 литра (мощность 90 л.с.) с 6-ступенчатой коробкой передач.
Технические характеристики
Двигатель 1,5 dCi Сертификат токсичности EURO4 Рабочий объем цилиндров (см3) 1461 Цилинды 4 Клапаны 8 Максимальная мощность, кВт (л.с.): 66 (90) Максимальный крутящий момент (Н.м): 200 Тип впрыска Common Rail
Подвеска передняя и задняя: независимая, пружинная, оснащенные гидравлическим амортизатором
Соответствие скорости к каждой передаче, км: 1 – 5.8 2 – 9.98 3 – 15.81 4 – 23.17 5 – 31.84 6 – 41.83
Расход дизельного топлива, л :
- Городской режим – 5.9
- За городом – 5.0
- Смешанный цикл – 5.3
Где сегодня можно купить дизельный Рено Дастер ?
Для того, чтобы купить дизельный Рено Дастер следует обратиться к ближайшему официальному дилеру, который находится в вашем городе.
Вы не только сможете узнать о наличии нужной комплектации в Москве или любом регионе, но при необходимости заказать тест-драйв, а также самому лично убедиться, что зимой автомобиль с дизельным двигателем работает крайне надежно.
Для того, чтобы упростить задачу воспользуйтесь нашей картой автосалонов, где потребуется выбрать текущее место вашего проживания.
Если вы просто хотите осмотреть авто, то предварительной записи не потребуется, достаточно приехать в автоцентр в удобное для вас время.
После этого можно при желании получить консультацию о том, как приобрести его в кредит и на каких условиях. Ждем вас !
На заметку покупателю
Многие интересуется есть ли в продаже дизельный Рено Дастер с автоматической коробкой передач ? Так вот, все дизельные двигатели идут в комплекте с 6-ступенчатой механикой, поэтому для всех любителей автоматики есть смысл обратить внимание на бензиновые аналоги. Также регулярно появляется неправдивая информация о том, что все модели с АКПП будут поддерживать режим 4х4
Однако к сожалению пока используется только передний привод.
Подбор комплектации рекомендуем осуществлять только непосредственно в автосалоне. Во-первых, вы самостоятельно сможете увидеть все различия каждого варианта. Во-вторых, на все возникающие вопросы вы сразу же получаете квалифицированные ответы и у вас не остается никаких сомнений по части выбора.
Смесеобразование
Для того, чтобы обеспечить своевременную подачу топлива, требуются форсунки.
Как уже было сказано, в дизельном моторе установлены восемь форсунок. Для правильной работы мотора требуется постоянно чистить форсунки.
Дело в том, что жиклеры, которые есть в форсунках, имеют очень маленький диаметр и могут забиваться от любого мусора, который может просочиться даже через два фильтра. Форсунки подают топливо по определенному принципу.
Существуют некоторые виды форсунок, существенно отличающихся друг от друга. Каждый из них имеет свои определенные особенности, а также достоинства и недостатки. На дизельный мотор устанавливается электрогидравлическая форсунка. Принцип работы на этой форсунке основан на том, что подача топлива и прекращение подачи топлива осуществляется посредством давления топлива.

Двигатели Рено Дастер: обзор и характеристики
Двигатели Рено Дастер: обзор и характеристики
В нашей стране Renault Duster в настоящее время продается сразу с тремя двигателями. Это, надо заметить, не так уж мало — многие иностранные автомобили, которые собираются в России, в лучшем случае довольствуются двумя двигателями, а здесь — сразу три, один из которых является дизельным.
Дастер с дизельным двигателем, кстати, пользуется наименьшим спросом.
Связано это, судя по всему, с тем, что он стоит дороже автомобиля с бензиновым 1,6-литровым двигателем и предлагается в паре только с механической КПП, в то время как другие версии можно приобрести как с механическом коробкой передач, так и автоматической.
Итак, вы можете выбрать один из трех двигателей: бензиновые объемом 1,6 и 2 литра, либо дизельный объемом 1,5 литра. Все они — четырехцилиндровые. Хотелось бы отметить, что во всех двигателях использует ременной привод ГРМ, цепь отсутствует в принципе.
А теперь — технические характеристики двигателей.
Рено Дастер 1.5 (дизель) (первое поколение, рестайлинг)
Количество цилиндров/клапанов: 4/8
Мощность л.с. 109/4000 об. в мин.
Мощность кВт: 80/4000 об. в мин.
Крутящий момент: 240 Нм/1750 об. в мин.
Система питания двигателя: распределенный впрыск с электронной системой управления
Рено Дастер 1.6 (бензин) (первое поколение, рестайлинг)
Количество цилиндров/клапанов: 4/16
Мощность л.с. 114/5500 об. в мин.
Мощность кВт: 84/5500 об. в мин.
Крутящий момент: 156 Нм/4000 об. в мин.
Система питания двигателя: распределенный впрыск с электронным управлением
Рено Дастер 2.0 (бензин) (первое поколение, рестайлинг)
Количество цилиндров/клапанов: 4/16
Диаметр цилиндра: 82,7 мм
Мощность л.с. 143/5750 об. в мин.
Мощность кВт: 105/5750 об. в мин.
Крутящий момент: 195 Нм/4000 об. в мин.
Система питания двигателя: распределенный впрыск с электронной системой управления
Рено Дастер 1.5 (дизель) (первое поколение, дорестайлинг)
Количество цилиндров/клапанов: 4/8
Мощность л.с. 90/4000 об. в мин.
Мощность кВт: 66/4000 об. в мин.
Крутящий момент: 200 Нм/1750 об. в мин.
Система питания двигателя: Common Rail
Рено Дастер 1.6 (бензин) (первое поколение, дорестайлинг)
Количество цилиндров/клапанов: 4/16
Диаметр цилиндра: 79,5 мм
Мощность л.с. 102/5750 об. в мин.
Мощность кВт: 75/5750 об. в мин.
Крутящий момент: 145 Нм/3750 об. в мин.
Система питания двигателя: распределенный впрыск с электронным управлением
Рено Дастер 2.0 (бензин) (первое поколение, дорестайлинг)
Количество цилиндров/клапанов: 4/16
Диаметр цилиндра: 82,7 мм
Мощность л.с. 135/5500 об. в мин.
Мощность кВт: 99/5500 об. в мин.
Крутящий момент: 195 Нм/3750 об. в мин.
Система питания двигателя: распределенный впрыск с электронной системой управления
Какой двигатель лучше у Рено Дастер?
Каждый из моторов по своему хорош, поэтому выбирать нужно исходя из своих потребностей.
Например, дизельный силовой агрегат, несмотря на кажущийся недостаток лошадиных сил, на самом обладает большим крутящим моментом, который доступен с малых оборотов.
Жаль, что он не предлагается в паре с автоматической коробкой передач, но, возможно, этот недочет будет исправлен с выходом второго поколения кроссовера.
А вот с бензиновым двигателем объемом 1,6 литра автомобиль является наиболее выгодной покупкой, если стоит цель приобрести как можно больше автомобиля за минимальные деньги. Дастер с 2-литровым двигателем стоит дороже, но он и мощнее, а потому обладает более интересными скоростными характеристиками.
Что бы испытать автомобили, запишитесь на тест-драйв у официального дилера. Не факт, что у него будет присутствовать дизельная версия, на которой вы смогли бы прокатиться, но 2-литровый вариант Дастера для тест-драйва наверняка есть в наличии.
Где находится топливный фильтр в Рено Дастер и как его заменить
Французский автомобиль Рено Дастер имеет собственную уникальную линейку силовых установок, которые даже при самых суровых условиях эксплуатации, остро не реагируют на качество бензина, на котором работают. При этом в обязательном порядке устанавливается топливный фильтр, на заводе при сборке.
То есть один раз, и судя по установленному регламенту, замена топливного фильтра не нужна на протяжении всего срока эксплуатации авто. Также на это не влияет топливо, то есть бензин это или дизель. Но, увы, случается так, что топливный фильтр требует замены.
Как ее осуществить собственными руками? В этой статье подробно постараемся разобраться в данном вопросе.
Когда нужно заменить фильтр?
В автомобиле Рено Дастер, такая банальная проблема как засорение топливного фильтра, особо не пугает. Она часто возникает на силовых установках 1.6 и 2.0 и даже при использовании дизельного топлива.
Засорение обусловлено, прежде всего, тем, что машина на постоянной основе заправляется грязным горючим, которое в себе содержит чрезвычайно много инородных мелких тел и частиц.
Специалисты утверждают, что порой хватает одной заправки бака некачественным топливом, чтобы фильтр забился основательно и пришел в негодность.
Есть определенные признаки, которые указывают водителю на то, что мотору требуется замена топливного фильтра. Во-первых, износ детали происходит при резком нажатии педали акселератора, или же имела место быть нестабильная работа силового агрегата непосредственно на холостом ходу.
На машине Renault Duster, где система питания забита, сразу почувствуются провалы в мощности, плюс у водителя будет ощущение того, что мотор сейчас заглохнет. Необходимость замены топливного фильтра также можно определить по признаку того, что у авто без прогрева, особенно с утра плохой старт.
Специалисты это объясняют тем, что горючее в инжектор поступает недостаточно, и как итог, мотор получает меньше горючего, чем необходимо.
1 этап замены
У каждого мотора Дастера имеются свои особенности. К примеру, если на двигателе объемом 1.
6 литра, а также при использовании дизельного топлива один фильтр располагается под задним креслом и на себя все берет функции по очистки горючего от различного рода примесей, то в моторе объемом 2.
0 литра в дополнение к имеющемуся фильтру ставится добавочный уже в моторный отсек, который меняется по установленным правилам. Для работы потребуется ключ на 10 и остренькая небольшая отвертка.
Многие спрашивают, где находится очистной элемент? А располагается он в районе задних кресел, и достаточно откинуть их подушки и снять специальный защитный люк. Там вы увидите клемму с проводами, которая в свою очередь подходит к насосу, и обнаружите наружный патрубок и выходной патрубок.
Следует запомнить, что сначала необходимо в топливной системе выпустить давление, и уже после этого приступать к снятию патрубков. Для этого с насоса, после того, как отстегнете защелку, снимайте клемму питания, заводите мотор и ждите, пока он сам не заглохнет от того, что закончился бензин.
Не перепутайте направление циркуляции, об этом вам подскажет стрелочка, которая обозначена на корпусе.
2 этап замены
В отличие от дизельной версии с мотором объемом 1.6 литра, на аналогичном агрегате объемом 2.0 литра есть дополнительный фильтр, как говорилось выше. Его менять обязательно нужно через каждые 120 тысяч километров пробега. Если же насос с фильтром вышли из строя, то нужна обязательная замена.
Работа с мотором 2.0 литра объемом осуществляется точно так же, как и с версией 1.6 литра, и перед началом замены нужно сбросить давление в топливной системе. После этого вы уже спокойно можете приступить к демонтажу фильтра. Возьмите плоскую отвертку, открутите хомуты, с помощью которых к корпусу крутятся выходной и входной патрубки.
Сборка всех элементов осуществляется в обратном порядке, но обязательно соблюдайте направление, которое указывает стрелка.
Результат
Замена фильтра на бензиновом моторе Дастера – это работа совершенно не сложная, которая при предварительном ознакомлении не требует наличия специальных инструментов и большого количества времени.
Если вы будете строго придерживаться инструкции, и использовать только качественные и оригинальные расходные материалы, то замена потребуется еще не скоро, а регулярное обслуживание гарантирует вам отлаженную работу автомобиля даже при большом пробеге.
Категории товаров, которые вам могут быть интересны на основании статьи «Где находится топливный фильтр в Рено Дастер и как его заменить»: Товары, из ассортимента Дастершоп77, которые могут быть вам интересны:
Когда менять?
Такая проблема, как засорение топливного фильтра на Дастере, одинаково часто проявляется на двигателях 1.6 и 2.0, а также дизеле. Это может быть вызвано тем, что Дастер заправляли исключительно грязным топливом, содержащим в себе большое количество инородных частиц. При этом быват достаточно всего одной такой заправки, чтобы полностью забить фильтр и привести его в негодность.
На дизеле Дастер к подобной неполадке может привести использовании летней солярки зимой: топливо может превратиться в густую смолу и повредить пористую поверхность. Чтобы этого избежать, применяют зимний дизель или используют специальные присадки, препятствующие загустению.
Существует ряд признаков, которые говорят о том, что без подобной замены на моторах 1.6 и 2.0 будет не обойтись. Первый из них — нестабильная работа двигателя на холостом ходу или при резком нажатии на педаль акселератора. На Рено Дастер с забитой системой питания при этом будут ощутимые провалы мощности и чувство, будто двигатель вот-вот заглохнет.
Еще один признак, который гарантирует вам необходимость замены фильтра, — это плохой старт Рено Дастер по утрам, на холодную. Это объясняется тем, что топливо поступает в инжектор в недостаточном объеме и, в итоге, двигатель получает меньшее количество горючей смеси, чем нужно.
Запчасти, ТО
Товары, из ассортимента Дастершоп77, которые могут быть вам интересны:
| Наименование | Производитель | Цена | Наличие | В корзину |
| BR-001-GARD-URDP | Брызговики увеличенные (расширенные) Дастер-ГАРД передние | Дастер-Гард | 1300 / 1100 р. Дисконт: 1000 р. | >10 |
| DC495 | Дисконтная карта (Dusterclubs.ru, Dustershop77.ru) | 700 / 500 р. Дисконт: 500 р. | >10 | |
| DC218 | Дефлектор воздуха «Теплые ноги» для Дастер, Логан, Сандеро, Ларгус | 500 / 300 р. Дисконт: 250 р. | >10 | |
| patriot-001-1 | Защита муфты редуктора и бензобака (сталь) | Патриот | 5400 / 4500 р. Дисконт: 4000 р. | 2 |
| 005-008502 | Защита на порожек багажника | Русская Артель | 1500 / 1300 р. Дисконт: 1000 р. | >10 |
| PT014-7010402-RDU112901 | Накладка на порожек багажника PTGroup | Pt GROUP | 1300 / 1100 р. Дисконт: 850 р. | >10 |
| DC654 | Жабо с креплением без скотча 3М (Дастер/Террано) (АртФорм) | АртФорм (Yuago) | 3500 / 2500 р. Дисконт: 1900 р. | >10 |
| R12711 | Ветровики (дефлекторы на окна) COBRA/Autoplex | COBRA / Autoplex | 2000 / 1600 р. Дисконт: 1500 р. | >10 |
| NRD-009102 | Жабо под лобовое стекло (РА) | Русская Артель | 2500 / 2100 р. Дисконт: 1800 р. | 6 |
| RA0052 | Накладки на пороги дверей (перед+зад) РА | Русская Артель | 2500 / 2000 р. Дисконт: 1700 р. | >10 |
Проблемы двигателей
Нередко причина, почему может Рено Дастер плохо , кроется в особенностях работы бензиновых моторов. Такие силовые агрегаты утром при минусовых температурах запускаются с трудом и медленно набирают обороты.При этом нельзя исключать, что сложности с заводом бензинового двигателя возникли из-за загрязнения дросселя. На заслонке последнего со временем оседает грязь. Из-за этого уменьшается сечение дросселя, вследствие чего снижается скорость наполнения воздухом силового агрегата после запуска.
Вторая проблема, с которыми сравнительно часто сталкиваются подобные двигатели — подсос воздуха. Эта неисправность на 2-литровых моторах встречается реже, чем на 1,6-литровых. Более того, подсос воздуха обычно не характерен для Дастера, но диагностируется на других моделях Рено.
Среди неисправностей, связанных с эксплуатацией бензиновых двигателей, выделяется блокировка форсунок. Дефект относится к разряду экзотичных и возникает из-за воздействия низких температур. В этом случае форсунки «замерзают» и не открываются.
Последняя возможная причина того, почему Дастер не заводится зимой, обусловлена образованием нагара на поршнях и клапанах. В подобных условиях рекомендуется промыть топливную систему и сменить заправочную станцию.



































